KNOWLEDGE
浙江中耐泵业有限公司
客服:0577-66998225
传真:0577-66998228
地址:浙江省永嘉县瓯北镇三桥工业区
泵的知识
水泵机组的布置和基础
时间:2016-9-26 17:20:15来源:www.b-fz.com作者:中耐泵业
一、泵机组的布置
泵机组的排列是泵站内布置的重要内容,它决定了泵房建筑面积的大小。机组间距以不妨碍操作和维修的需要为原则。机组布置应保证运行安全,装卸、维修和管理方便,管道总长度短、接头配件小,水头损失小,并应考虑泵站有扩建的余地。机组排列基本形式有以下几种。
1.纵向排列
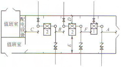
纵向排列时水泵各机组轴线平行,如图1所示。纵向排列结构紧凑,电动机抽轴方便,建筑面积小,但泵房跨度大,管件多,水力条件较差,一般需要桥式吊车吊装。纵向排列适用于如IS单级单吸悬臂式离心泵。因为悬臂式泵系顶端进水,采用纵向排列能使吸水管保持顺直状态(图1中的泵1)。如果泵房中兼有侧向进水和侧向出水的离心泵(如图1中泵2均系SH型或SA型泵),则纵向排列的方案就值得商榷。如果SH型泵占多数时,纵向排列方案就不可取。例如20SH-9型泵,纵向排列时,泵宽加上吸压水口的大小头和两个90°弯头长度共计3.9m(图2)。如果作横向排列,则泵宽为4.1m,其宽度并不比纵排增加多少,但进出口的水力条件却大为改善,在长期运行中可以节省大量电耗。

图1 水泵机组纵向排列
1-IS型水泵;2-SH型水泵

图2 纵排与横排比较(20SH-9型)
机组之间各部分尺寸应符合下列要求。
(1)泵房大门要求通畅,既能容纳大的设备(泵或电机),又有操作余地。其场地宽度一般用管外壁和墙壁的净距A值表示。A等于大设备的宽度加1m,但不得小于2m。
(2)管与管之间的净距B应大于0.7m,以保证工作人员能较为方便地通过。
(3)管外壁与配电设备应保持一定的安全操作距离C。当为低压配电设备时C值不小于1.5m,为高压配电设备时C值不小于2m。
(4)泵外形凸出部分与墙壁的净距D,需满足管道配件安装的要求,但是,为了便于就地检修泵,D值不宜小于1m;如泵外形不凸出基础,D值则表示基础与墙壁的距离。
(5)电机外形凸出部分与墙壁的净距E,应保证电机转子在检修时能拆卸,并适当留有余地。E值一般为电机轴长加0.5m,但不宜小于3m,如电机外形不凸出基础,则E值表示基础与墙壁的净距。
(6)管外壁与相邻机组的凸出部分净距F不应小于0.7m。如电机容量大于55kW时,F应不小于lm。
2.横向排列
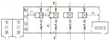
横向排列时水泵轴线在一条直线上,如图3所示。

图3 泵机组横向排列
横向排列泵房跨度较小,进出水管顺直,水力条件较好,吊装设备采用单轨吊车梁接口。但泵房较长,管件拆装不太方便。横向排列主要适用于侧向进、出水的泵,如单级双吸卧式离心泵Sh型、SA型水泵的布置。横向排列的各部分尺寸应符合下列要求。
(1)泵凸出部分到墙壁的净距A1与上述纵向排列的第一条要求相同,如泵外形不凸出基础,则Al表示基础与墙壁的净距。
(2)出水侧泵基础与墙壁的净距Bl应按水管配件的安装的需要确定,但是,考虑到泵出水侧是管理操作的主要通道,故B1不宜小于3m。
(3)进水侧泵基础与墙壁的净距D1,也应根据管道配件的安装要求决定,但不小于1m。
(4)电机凸出部分与配电设备的净距,应保证电机转子在检修时能拆卸,并保持一定安全距离,其值要求为:Cl=电机轴长+0.5m。但是,低压配电设备应Cl≥1.5;高压配电设备Cl≥2.0m。
(5)泵基础之间的净距El与C1要求相同,即El=Cl。如果电机和水泵凸出基础,E1值表示为凸出部分的净距。
(6)为了减小泵房的跨度,也可考虑将吸水阀门设置在泵房外面。
3.横向双行排列(图4)

图4 横向双行排列(倒、顺转)
横向双行排列布置紧凑,泵房面积小,管件少,水力条件好,但泵房跨度大,需安装桥式吊车。横向双行排列主要适用于采用双吸离心泵的圆形取水泵房,采用这种布置可节省较多的基建造价。应该指出,这种布置形式两行泵的转向从电机方向看去是彼此相反的,因此,在泵订货时应向水泵厂特别说明,以便水泵厂配置不同转向的轴套止锁装置,各部分尺寸要求,可参考横向单行排列的有关规定。
二、泵机组的基础
水泵基础的作用是支承并固定机组,使它运行平稳,不发生剧烈振动,防止沉陷。因而要求基础有足够的强度和一定的重量满足刚度要求,对基础的要求是:a、坚实牢固,除能承受机组的静荷载外,还能承受机械的振动荷载;b、要浇筑在较坚实的地基上,不宜浇筑在松软地基或新镇土上,以免发生基础下沉或不均匀沉陷。
卧式泵均为块式基础,其尺寸大小一般均按所选泵的安装尺寸所提供的数据确定。如无上述资料,对带底座的小型泵可选取:
基础长度L=底座长度L1+(0.15~0.20)(m)
基础宽度B=底座螺孔间距(在宽度方向上)bl+(0.15~0.20)(m)
基础高度H=底座地脚螺钉的埋入深度+(0.15~0.20)(m)
地脚螺钉的埋入深度一般为20d+4d(d为螺栓直径、4d为叉尾或弯钩高度)
对于不带底座的大、中型水泵的基础尺寸,可根据泵或电动机(取其宽者)地脚螺孔的间距加上0.4~0.5m,以确定其长度和宽度。基础高度确定方法同上。 确定基础的高度后还应根据重量要求进行复核。基础重量应大于机组总重量的2.5~4.0倍。在已知基础平面尺寸和混凝土容重的条件下,可计算出基础需要高度,基础高度一般应不小于50~70cm,基础高度应高出室内地坪约10-20cm。基础附近有管沟时,基础在地坪以下的深度不得小于管沟深度。由于水能促进振动的传播,基础的底应在地下水位以上,否则应将泵房底板做成整体的连续钢筋混凝土板,再将基础浇筑在底板上,此时可将底板的部分厚度计入基础厚度。
对于大型的立式泵机组的水泵、电机基础应分筑,设计原则与卧式水泵基础大体相同。特殊之处在于计算机组重量和考虑基础强度时应考虑下面的因素:对于立式水泵,从切线方向出水产生偏心力矩,靠水泵的自重不能平衡,以剪应力形式传给地脚螺栓,当闭闸启动时,产生的推力反作用于水泵,因而大功率立式水泵机组的电机基础负载,除电机自重外还需加上水泵叶轮、传动轴重量和轴向拉力。
为了保证泵站工作可靠、运行安全和管理方便,在布置机组时,应遵照以下规定。
(1)相邻机组的基础之间应有一定宽度的过道,以便工作人员通行。电动机容量不大于55KW时,净距应不小于0.8m;电动机容量大于55KW时,净距不小于1.2m。电动机容量小于20KW时,过道宽度可适当减小。但在任何情况下,设备的突出部分之间或突出部件与墙之间不小于0.7m,如电动机容量大于55KW时,则不得小于1.0m。
(2)对于非水平接缝的泵,在检修时,往往要将泵轴和叶轮沿轴线方向取出,因此在没计泵房时,要考虑这个方向有一定的余地,即泵离开墙壁或其他机组的距离应大于泵轴长度加上0.25m,为了从电动机中取出转子,应同样地留出适当的距离。
(3)装有大型机组的泵站内,应留出适当的面积作为检修机组之用。其尺寸应保持在被险修机组的周围有0.7~1.0m的过道。
(4)泵站内主要通道的宽度应不小于1.2m。
(5)辅助泵(排水泵、真空泵)通常安置在泵房内的适当地方,尽可能不增大泵房尺寸。辅助泵可靠墙安装,只需一边留出过道。必要时,真空泵可安置于托架上。
- 卧式螺杆泵工作方式及水平输送优势对比
- 自吸螺杆泵特点及自吸原理解析与使用注意事项
- 立式螺杆泵运行原理及垂直安装的优点评述
- 水喷射泵在工业领域中的应用案例与优势展示
- 化工泵厂家的产品研发实力和技术创新能力评述
- G型螺杆泵特点与适用领域探讨
- 漩涡泵工作原理及不同类型泵的比较
- 高温化工泵的设计特点及耐热性能评估
- 无极调速螺杆泵技术特点与流体输送效率优化策略分析
- 喷射真空泵工作原理及气体排放效率研究
- 人防手摇泵功能特点及紧急情况下的应用考量
- 浓硫酸管道泵的设计原理与材料选型探究
- GS型手摇泵在液体输送中的效率优势和维护方法介绍
- 单级漩涡泵的结构设计和运行特性解析
- 防爆油桶泵安全等级标准及防护机制探讨
- 计量油泵的准确性与计量标准解读