浙江中耐泵业有限公司
客服:0577-66998225
传真:0577-66998228
地址:浙江省永嘉县瓯北镇三桥工业区
CQB-F型氟塑料磁力泵
产品型号:CQB-F型
所属类目:磁力泵
产品简介:CQB-F型氟塑料磁力泵被广泛适用于化工、制酸、制碱、冶炼、稀土、农药、染料、医药、造纸、电镀、酸洗电解、无线电、化成箔、科研机构、国防工业等行业输送任意浓度的酸性、碱性、油类、毒性液体、稀有贵重液体、易挥发性的化学介质。特别是易漏、易燃、易爆液体的输送
■ CQB-F型氟塑料磁力泵产品概述:
.jpg)
CQB-F型氟塑料磁力泵,是中耐泵阀近几年开发的新产品,并引进国外先进技术,采用聚偏二氟乙稀制造,该材料是目前世界上优秀的耐腐蚀材料,用该材料生产的磁力泵使用范围广,耐腐蚀性能强,机械强度高,不老化、无毒素分解等优点。可广泛用于化工、制药、电镀、石油、环保、稀土分离、冶炼、汽车制造中的酸洗等领域。
CQB-F氟塑料磁力泵设计独特,无需机械轴封,绝对不渗漏, 液体过流部件选用氟塑料,陶瓷氟橡胶等材料,泵体外壳用金属材料固定,故泵体足以承托管道的重量,使用保养及为方便。
■ CQB-F型氟塑料磁力泵型号意义:
■ CQB-F型氟塑料磁力泵工作原理:
CQB-F型氟塑料磁力泵(简称磁力泵)是应用现代磁力学原理,利用永磁体实现无接触间接传动的一种化工流程泵。当电机带动外转子(即外磁钢)总成旋转时,通过磁场的作用磁力线穿过隔离套带动内转子(即内磁钢)总成和叶轮同步转,介质完全封闭在静止的隔离套内,从而达到无泄漏抽送介质的目的,彻底解决了机械传动泵的轴封泄漏,是全密封、无泄漏、无污染的新型工业泵。
磁力泵是化工流程中杜绝跑、冒、滴、漏现象,消除环境污染,创造“无泄漏车间”、 “无泄漏工厂,实现安全、文明生产的理想用泵。
■ CQB-F型氟塑料磁力泵结构特征:
CQB-F型氟塑料磁力泵的设计不仅具有普通磁力泵的结构紧凑,外型美观,体积小,躁声低,运行可靠等优点,且其过流部件全部采用目前世界上耐腐蚀性能优秀的“塑料王”(氟塑料)制造,隔离套采用特殊材料制造,具有高强度的力学性能,消除了普通磁力泵存在的磁涡流现象。因此,CQB-F型氟塑料磁力泵可输送任意浓(强)度的酸、碱、氧化剂等腐蚀性介质而毫不受损。
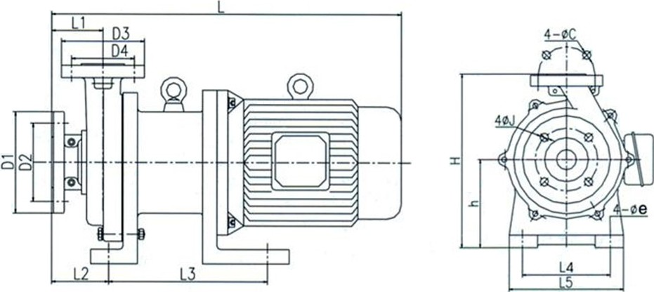
■ CQB-F型氟塑料磁力泵结构爆炸图:

■ CQB-F型氟塑料磁力泵结构图:
.bmp)
|
1 |
进口法兰 |
2 |
泵体衬套 |
3 |
静环 |
4 |
动环 |
|
5 |
叶轮、内磁钢总成 |
6 |
密封圈 |
7 |
轴承 |
||
|
8 |
泵轴 |
9 |
外磁钢总成 |
10 |
止推环 |
11 |
隔离套 |
|
12 |
联接架 |
13 |
电机 |
|
|
|
|
■ CQB-F型氟塑料磁力泵产品用途:
CQB-F型氟塑料磁力泵被广泛适用于化工、制酸、制碱、冶炼、稀土、农药、染料、医药、造纸、电镀、酸洗电解、无线电、化成箔、科研机构、国防工业等行业输送任意浓度的酸性、碱性、油类、毒性液体、稀有贵重液体、易挥发性的化学介质。特别是易漏、易燃、易爆液体的输送。适用温度:-30℃~120℃。
■ CQB-F型氟塑料磁力泵性能参数:
|
型 号 |
口径(mm) |
流量 (m3/h) |
扬程 (m) |
电机功率 (kW) |
电 压 (V) |
材 质 |
|
|
进口 |
出口 |
||||||
|
CQB |
15 |
15 |
1.8 |
8 |
0.12 |
220/380 |
聚 偏 二 氟 乙 烯 |
|
CQB20-15-105F |
25 |
18 |
3 |
12 |
0.37 |
220/380 |
|
|
CQB32-25-125F |
32 |
25 |
3.2 |
20 |
0.75 |
380 |
|
|
CQB32-25-145F |
32 |
25 |
3.2 |
25 |
0.75 |
380 |
|
|
CQB40-32-115F |
40 |
32 |
6.3 |
15 |
0.75 |
380 |
|
|
CQB40-32-145F |
40 |
32 |
6.3 |
25 |
1.5 |
380 |
|
|
CQB40-32-160F |
40 |
32 |
6.3 |
32 |
2.2 |
380 |
|
|
CQB50-40-125F |
50 |
40 |
12.5 |
20 |
2.2 |
380 |
|
|
CQB50-40-160F |
50 |
40 |
12.5 |
32 |
3 |
380 |
|
|
CQB65-50-125F |
65 |
50 |
25 |
20 |
3 |
380 |
|
|
CQB65-50-160F |
65 |
50 |
25 |
32 |
5.5 |
380 |
|
|
CQB80-65-125F |
80 |
65 |
50 |
20 |
7.5 |
380 |
|
|
CQB80-65-160F |
80 |
65 |
50 |
32 |
11 |
380 |
|
|
CQB100-80-125F |
100 |
80 |
100 |
20 |
11 |
380 |
|
|
CQB100-80-160F |
100 |
80 |
100 |
32 |
18.5 |
380 |
|
|
注:表中CQB32-25-125F----CQB100-80-160F都可配防爆电机 |
|||||||
■ CQB-F型氟塑料磁力泵氟塑料耐腐蚀性能:
|
介质名称 |
浓度 % |
温度℃ |
介质名称 |
浓度 % |
温度℃ |
||
|
50 |
100 |
50 |
100 |
||||
|
硫酸 |
|
√ |
√ |
硫*氰*酸铵 |
|
√ |
√ |
|
发烟硫酸 |
|
C |
C |
硫酸铵 |
|
√ |
√ |
|
硝酸 |
|
√ |
A |
硝酸铵 |
|
√ |
√ |
|
发烟硝酸 |
|
B |
C |
磷酸铵 |
|
√ |
√ |
|
盐酸 |
|
√ |
√ |
碳酸铵 |
|
√ |
√ |
|
磷酸 |
|
√ |
√ |
氯化铵 |
|
√ |
√ |
|
氢氟酸 |
35~70 |
√ |
√ |
溴化铵 |
|
√ |
√ |
|
氢溴酸 |
50 |
√ |
√ |
氟化铵 |
|
√ |
√ |
|
氢碘酸 |
48+12%I2 |
√ |
√ |
氟化氢铵 |
|
√ |
√ |
|
亚硫酸 |
|
√ |
√ |
硫化铵 |
|
√ |
√ |
|
亚硝酸 |
|
√ |
√ |
过硫酸铵 |
|
√ |
√ |
|
铬酸 |
<50 |
√ |
B |
醋酸铵 |
|
√ |
√ |
|
高氯酸 |
|
√ |
A |
硫酸钠 |
|
√ |
√ |
|
溴酸 |
|
√ |
√ |
硝酸钠 |
|
√ |
√ |
|
氯磺酸 |
|
C |
C |
磷酸钠 |
|
√ |
√ |
|
王水 |
|
√ |
|
碳酸钠 |
|
√ |
√ |
|
硝酸50%+硫酸50% |
|
√ |
C |
氯酸钠 |
|
√ |
√ |
|
甲酸 |
|
√ |
√ |
硅酸钠 |
|
√ |
√ |
|
醋酸 |
<50 |
√ |
A |
氯化钠 |
|
√ |
√ |
|
酸酐 |
|
|
C |
氟化钠 |
|
√ |
√ |
|
丁酸 |
|
√ |
√ |
溴化钠 |
|
√ |
√ |
|
月桂酸 |
|
√ |
A |
碘化钠 |
|
√ |
√ |
|
软脂酸 |
|
√ |
√ |
硫酸钾 |
|
√ |
√ |
|
硬脂酸 |
|
√ |
√ |
硝酸钾 |
|
√ |
√ |
|
油酸 |
|
√ |
√ |
碳酸钾 |
|
√ |
√ |
|
二氯醋酸 |
|
√ |
|
氯酸钾 |
|
√ |
√ |
|
马来酸 |
|
√ |
√ |
氯化钾 |
|
√ |
√ |
|
苹果酸 |
|
√ |
√ |
溴化钾 |
|
√ |
√ |
|
苯甲酸 |
|
√ |
C |
碘化钾 |
|
√ |
√ |
|
甲苯基酸 |
|
√ |
√ |
硫化钾 |
|
√ |
√ |
|
水杨酸 |
|
√ |
√ |
氰*化钾 |
|
√ |
√ |
|
碱及氢氧化物等 |
|
√ |
√ |
碳酸氢钾 |
|
√ |
√ |
|
氢氧化钠 |
|
√ |
√ |
高锰酸钾 |
|
√ |
√ |
|
氢氧化钾 |
|
√ |
√ |
铬酸钾 |
|
√ |
√ |
|
氢氧化铵 |
|
√ |
√ |
重铬酸钾 |
|
√ |
√ |
|
氢氧化钙 |
|
√ |
√ |
铁*氰化钾 |
|
√ |
√ |
|
氢氧化镁 |
|
√ |
√ |
亚铁脚 |
|
√ |
√ |
|
氢氧化钡 |
|
√ |
√ |
高氯酸钾 |
|
√ |
√ |
|
氢氧化铝 |
|
√ |
√ |
溴酸钾 |
|
√ |
√ |
|
氢氧化锂 |
|
√ |
√ |
次氯酸钾 |
|
√ |
√ |
|
四甲基氢氧化铵 |
|
√ |
√ |
硼酸钾 |
|
√ |
√ |
|
介质名称 |
浓度 % |
温度℃ |
介质名称 |
浓度 % |
温度℃ |
||
|
50 |
100 |
50 |
100 |
||||
|
硫酸铝 |
|
√ |
√ |
硫化氢 |
|
√ |
√ |
|
硝酸铝 |
|
√ |
√ |
硫化氢(水溶液) |
|
√ |
√ |
|
*氰化铝 |
|
√ |
√ |
磷化氢 |
|
√ |
|
|
氟化铝 |
|
√ |
√ |
二硫化碳 |
|
|
|
|
氯氧化铝 |
|
√ |
√ |
二氧化氯 |
|
√ |
√ |
|
铝钾矾 |
|
√ |
√ |
氯化磷 |
|
√ |
√ |
|
铝铵矾 |
|
√ |
√ |
氯氧化磷 |
|
√ |
√ |
|
铝铬矾 |
|
√ |
√ |
铬酰氯 |
|
√ |
C |
|
硫酸镁 |
|
√ |
√ |
煤气 |
|
√ |
√ |
|
硝酸镁 |
|
√ |
√ |
天然气 |
|
√ |
√ |
|
碳酸镁 |
|
√ |
|
过氧化钠 |
|
√ |
√ |
|
氯化镁 |
|
√ |
√ |
氧化钙 |
|
√ |
√ |
|
硫酸钙 |
|
√ |
|
漂白液(含C112.5%) |
|
√ |
√ |
|
氯 |
干气、湿气 |
√ |
√ |
糊精 |
|
√ |
√ |
|
氯(液体) |
|
√ |
√ |
溶纤剂 |
|
√ |
√ |
|
氯水 |
|
√ |
√ |
甲基溶纤剂 |
|
√ |
√ |
|
氯(四氯燃液) |
5 |
√ |
√ |
二乙基溶纤剂 |
|
√ |
√ |
|
溴(千液) |
|
√ |
|
斯陶大溶剂 |
|
√ |
√ |
|
溴水 |
|
√ |
√ |
聚醋酸乙烯 |
|
√ |
√ |
|
碘 |
干或湿 |
√ |
|
聚乙烯醇乳液 |
|
√ |
√ |
|
氧 |
|
√ |
√ |
重氮盐 |
|
√ |
√ |
|
臭氧 |
|
√ |
√ |
甲醇 |
|
√ |
√ |
|
硫(熔态) |
|
√ |
√ |
乙醇 |
|
√ |
√ |
|
氢 |
|
√ |
√ |
丙醇 |
|
√ |
C |
|
汞 |
|
√ |
√ |
正丁醇 |
|
√ |
√ |
|
过氧过氢 |
<50 |
√ |
√ |
仲丁醇 |
|
√ |
√ |
|
过氧过钠 |
|
√ |
√ |
叔丁醇 |
|
√ |
√ |
|
氨,无水液或气 |
|
√ |
√ |
戊醇 |
|
√ |
√ |
|
氨水 |
30 |
√ |
√ |
黑液 |
|
√ |
√ |
|
一氧化碳 |
|
√ |
√ |
妥尔油 |
|
√ |
√ |
|
二氧化碳 |
干、湿 |
√ |
√ |
电镀,铬,银,铜,黄铜 |
|
√ |
√ |
|
二氧化硫 |
|
√ |
√ |
镉,铁,镍 |
|
√ |
√ |
|
三氧化硫 |
|
C |
C |
金,铅,锌,锡铑 |
|
√ |
√ |
|
二氧化氮 |
|
√ |
√ |
碘仿 |
|
√ |
√ |
|
一氧化二氮 |
|
A |
A |
氟利昂11 |
|
√ |
√ |
|
五氧化二磷 |
|
√ |
√ |
氟利昂12 |
|
√ |
√ |
|
氯化氢 |
|
√ |
√ |
氟利昂22 |
|
√ |
√ |
|
溴化氢 |
50 |
√ |
√ |
丁基溴 |
|
√ |
√ |
符号说明:√-良好、A-可用、B腐蚀较重、C腐蚀严重。
注:本磁力泵、轴、轴套、静环用陶瓷,凡介质对陶瓷有腐蚀的,订货时请说明,以便用其它材料代替。
■ CQB-F型氟塑料磁力泵安装与调试:
(一)磁力泵应水平安装,不宜竖立,塑料泵体不得承受管路重量,对于特殊要求垂直安装的场合,电机务必朝上。
(二)当抽吸液面高于泵轴心线时,起动前打开吸入管道阀门即可,若抽吸液面低于泵轴心线时,管道需配备底阀。
(三)泵使用前应进行检查,电机风叶转动要灵活,无卡住及异常声响,各紧固件要紧固。
(四)检查电机旋转方向是否与磁力泵转向标记一致。
(五)电机启动后,缓慢打开排出阀,待泵进入正常工作状态后,再将排出阀调到所需开度。
(六)泵停止工作前,应先关闭排出阀门,然后切断电源。
■ CQB-F型氟塑料磁力泵使用注意事项:
(一)因磁力泵轴承的冷却和润滑是靠被输送的介质,所以绝对禁止空运转,同时避免在工作中途停电后再启动时所造成空载运转。
(二)被输送介质中,若含有固体颗粒,泵入口要加过滤网;如含有铁磁质微粒,需加磁性过滤器。
(三)泵在使用中环境温度应小于40℃,电机温升不得超过75℃。
(四)被输送的介质应在泵材允许范围内。氟塑料磁力泵的使用温度低不能低于零下30℃、高不能超过100℃。输送吸入压力不大于0.2 MPa,大工作压力1.6MPa,密度不大于1600 Kg/m3,粘度不大于30×10-6m2/S的不含硬颗粒和纤维的液体。
(五)对于输送液为易沉淀结易的介质,使用后应及时清洗,排净泵内积液。
(六)磁力泵正常运行1000小时后,应拆检轴承和端面动环的磨损情况,并更换不宜再用的易损件。



