浙江中耐泵业有限公司
客服:0577-66998225
传真:0577-66998228
地址:浙江省永嘉县瓯北镇三桥工业区
2BE型水环式真空泵
产品型号:2BE型
所属类目:真空泵
产品简介:2BE型水环式真空泵相对于目前国内广泛使用的SK、2SK、SZ系列水环式真空泵具有真空度高、功耗低等显著优点,是SK、2SK、SZ系列水环式真空泵理想替代产品
■ 2BE型水环式真空泵产品概述:

2BE型水环式真空泵及压缩机,是我公司在多年科研成果和生产经验的基础上,结合国际同类产品先进技术,研制开发的高效节能产品通常用于抽吸不含固体颗粒,不溶于水,无腐蚀性的气体,以便在密闭容器中形成真空和压力。通过改变结果材料,亦可用于抽吸腐蚀气体或以腐蚀性液体做工作液。2BE型水环式真空泵广泛用于造纸、化工、石化、轻工、制药、食品、冶金、建材、石器、洗煤、选矿、化肥等行业。
2BE型水环式真空泵采用单级单作用的结构形式,具有结构简单,维修方便,运行可靠,高效节能的优点,并能适应排水量大,载荷冲击波动等恶劣工况。
我们对于2BE型水环式真空泵关键部位,如分配板,叶轮和泵轴进行了系统优化设计,简化了结构,提高了性能,实现节能,采用焊接叶轮,叶片一次冲压、成型,型线合理;论彀全部加工,从根本上解决了动平衡问题。叶轮与泵轴采用热装过盈配合,性能可靠,运转平稳。叶轮焊接后,整体运行良好的热处理,叶片具有良好的韧性,使叶片的抗冲击,抗折弯能力得以根本保证,2BE型水环式真空泵能适应载荷冲击波动的恶劣工况。
2BE型水环式真空泵,自带气水分离器,多位置没有排气口,泵盖设有排气阀检修窗口,叶轮与分配板间隙通过定位轴两端压盖调整,安装使用方便,操作简单,便于维修。
■ 2BE型水环式真空泵型号意义:
■ 2BE型水环式真空泵特点:
2BE型水环式真空泵相对于目前国内广泛使用的SK、2SK、SZ系列水环式真空泵具有真空度高、功耗低等显著优点,是SK、2SK、SZ系列水环式真空泵理想替代产品,我公司生产的2BE型水环式真空泵及压缩机结构主要特点如下:
1、轴承全部采用原装进口轴承,保证了2BE型水环式真空泵的叶轮精确定位及运转过程中的高稳定性。
2、叶轮材质全部采用球墨铸铁铸造或钢板焊接,充分保证了2BE型水环式真空泵叶轮在各种恶劣工况下的稳定性,且大大提高了2BE型水环式真空泵的使用寿命。
4、泵体全部采用钢板制作,提高了2BE型水环式真空泵的使用寿命。
5、2BE型水环式真空泵的轴套作为易损坏的零件,本公司全部采用高铬不锈钢制作,比普通材质寿命提高了5倍。
6、2BE型水环式真空泵皮带轮(皮带传动)采用标准高精度锥套皮带轮,运行可靠,皮带寿命长,拆卸方便。
7、2BE型水环式真空泵联轴器(直联传动)采用标准高强度弹性联轴器,弹性元件采用聚氨酯材质,运行稳定可靠,使用寿命长。
8、独特的上置式气水分离器节约空间,并有效降低了2BE型水环式真空泵噪声。
9、铸件全部采用树脂砂铸造,表面质量好。铸件表面无需打腻,使2BE型水环式真空泵散热效果佳。
10、机械密封(选配件)全部采用进口件,充分保证2BE型水环式真空泵在长时间运行过程中无泄漏。
11、2BE型水环式真空泵泵体内壁型线采用近似椭圆的型线以保证佳的抽气效果。
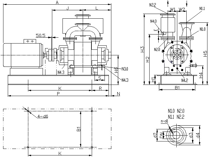
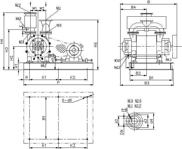
■ 2BE型水环式真空泵结构示意图:
■ 2BE型水环式真空泵使用范围:
1、2BE型水环式真空泵可在环境温度5~40℃范围内和进口压强小于1330Pa的条件下,允许长期连续工作。
2、2BE型水环式真空泵不适用于抽除含氧过高、有毒的、有爆炸性的、对金属有腐蚀作用的、对泵油起化学反应的,以及含有颗粒尘埃的气体,也不适用于把气体从一个容器输送到另一个容器,作输送泵用。
3、2BE型水环式真空泵在大气压到6000Pa的进口压力下的连续工作时间不超过3分钟,以免喷油或润滑不良引起泵损坏。
■ 2BE型水环式真空泵性能参数:
|
型号 |
转速 |
轴功率 |
电机功率 |
配用电机 |
极限真空度 |
大抽气速率 |
泵重 |
|
|
m3/h |
m3/min |
|||||||
|
2BE1 102-0 |
1450(直联) |
5.8 |
7.5 |
Y132M-4 |
33mbar |
235 |
3.9 |
311 |
|
2BE1 103-0 |
1450(直联) |
8.2 |
11 |
Y160M-4 |
33mbar |
340 |
5.7 |
363 |
|
2BE1 151-0 |
1450(直联) |
10.8 |
15 |
Y160L-4 |
33mbar |
405 |
6.8 |
469 |
|
2BE1 152-0 |
1450(直联) |
12.5 |
15 |
Y160L-4 |
33mbar |
465 |
7.8 |
481 |
|
2BE1 153-0 |
1450(直联) |
16.3 |
18.5 |
Y180M-4 |
33mbar |
600 |
10.0 |
533 |
|
2BE1 202-0 |
970(直联) |
17 |
22 |
Y200L2-6 |
33mbar |
760 |
12.7 |
875 |
|
2BE1 203-0 |
970(直联) |
27 |
37 |
Y250M-6 |
33mbar |
1120 |
18.7 |
1065 |
|
2BE1 252-0 |
740(直联) |
38 |
45 |
Y280M-8 |
33mbar |
1700 |
28.3 |
1693 |
|
2BE1 253-0 |
740(直联) |
54 |
75 |
Y315M-8 |
33mbar |
2450 |
40.8 |
2215 |
|
2BE1 303-0 |
740(直联) |
98 |
110 |
Y315L2-8 |
33mbar |
4000 |
66.7 |
3200 |
|
2BE1 305-1 |
740(直联) |
102 |
132 |
Y355M1-8 |
160mbar |
4650 |
77.5 |
3800 |
|
2BE1 353-0 |
590(直联) |
121 |
160 |
Y355L2-10 |
33mbar |
5300 |
88.3 |
4750 |
|
2BE1 355-1 |
590(直联) |
130 |
160 |
Y355L2-10 |
160mbar |
6200 |
103.3 |
5000 |
|
2BE1 403-0 |
330(皮带) |
97 |
132 |
Y315M-4 |
33mbar |
5160 |
86.0 |
5860 |
|
2BE1 405-1 |
330(皮带) |
100 |
132 |
Y315M-4 |
160mbar |
6000 |
100.0 |
5980 |
注:以上所选电机功率可在大多工况下工作。如排气口压力较高(0.02~0.05MPa),则应相应加大电机功率;如2BE1真空泵正常工作时轴功率较小,也可选用接近轴功率的电机功率,如此更为节能。
注:水环真空泵的水温对其性能影响较大,而水环真空泵的性能曲线均为在15℃的水温条件下测得,因此在实际选用水环真空泵时应对水环真空泵的抽气速率进行修正。修正方法请参照:水温对水环真空泵性能的影响。
注:以上所选电机功率可在大多工况下工作。如排气口压力较高(0.02~0.05MPa),则应相应加大电机功率;如2BE1真空泵正工作时轴功率较小,也可选用接近轴功率的电机功率,如此更为节能。
■ 2BE1型水环式真空泵耗水量:
|
型号 |
标准转速 rpm |
转速范围 rpm |
在以下吸入压力(mbar,绝压)时的耗水量 m3/h |
|||||||
|
≤160 |
200 |
300 |
400 |
500 |
600 |
700 |
>800 |
|||
|
2BE1 102-0 |
1450 |
1300~1750 |
1.1 |
1.1 |
0.73 |
0.73 |
0.73 |
0.73 |
0.36 |
0.36 |
|
2BE1 103-0 |
1450 |
1300~1750 |
1.4 |
1.4 |
0.93 |
0.93 |
0.93 |
0.93 |
0.47 |
0.47 |
|
2BE1 151-0 |
1450 |
1100~1750 |
1.5 |
1.5 |
1 |
1 |
1 |
1 |
0.5 |
0.5 |
|
2BE1 152-0 |
1450 |
1100~1750 |
1.7 |
1.7 |
1.13 |
1.13 |
1.13 |
1.13 |
0.57 |
0.57 |
|
2BE1 153-0 |
1450 |
1100~1750 |
1.9 |
1.9 |
1.27 |
1.27 |
1.27 |
1.27 |
0.63 |
0.63 |
|
2BE1 202-0 |
980 |
790~1300 |
2.1 |
2.1 |
1.4 |
1.4 |
1.4 |
1.4 |
0.7 |
0.7 |
|
2BE1 203-0 |
980 |
790~1300 |
2.6 |
2.6 |
1.73 |
1.73 |
1.73 |
1.73 |
0.87 |
0.87 |
|
2BE1 252-0 |
740 |
558~938 |
4.4 |
4.4 |
2.93 |
2.93 |
2.93 |
2.93 |
1.47 |
1.47 |
|
2BE1 253-0 |
740 |
560~938 |
5.2 |
5.2 |
3.47 |
3.47 |
3.47 |
3.47 |
1.73 |
1.73 |
|
2BE1 303-0 |
660 |
466~743 |
8.5 |
8.5 |
6.8 |
6.8 |
5.7 |
5.7 |
2.9 |
2.9 |
|
2BE1 303-2 |
660 |
466~743 |
- |
9.1 |
7.9 |
6.7 |
5.6 |
4.4 |
3.2 |
2.0 |
|
2BE1 305-1 |
660 |
466~743 |
8.2 |
8.2 |
7.8 |
7.0 |
6.0 |
5.1 |
4.2 |
3.3 |
|
2BE1 306-1 |
660 |
466~743 |
8.2 |
8.2 |
7.8 |
7.0 |
6.0 |
5.1 |
4.2 |
3.3 |
|
2BE1 353-0 |
530 |
372~660 |
11.2 |
11.2 |
9.0 |
9.0 |
7.5 |
7.5 |
3.8 |
3.8 |
|
2BE1 353-2 |
530 |
372~660 |
- |
12.1 |
10.5 |
9.0 |
7.4 |
5.8 |
4.3 |
2.7 |
|
2BE1 355-1 |
530 |
372~660 |
10.9 |
10.9 |
10.4 |
9.3 |
8.0 |
6.7 |
5.5 |
4.3 |
|
2BE1 356-1 |
530 |
372~660 |
10.9 |
10.9 |
10.4 |
9.3 |
8.0 |
6.7 |
5.5 |
4.3 |
|
2BE1 403-0 |
420 |
330~565 |
16.0 |
16.0 |
12.8 |
10.7 |
10.7 |
8.7 |
7.2 |
5.4 |
|
2BE1 405-1 |
420 |
330~565 |
14.7 |
14.7 |
14.2 |
12.6 |
10.9 |
9.2 |
7.7 |
5.9 |
■ 2BE1型水环式压缩机耗水量:
|
型号 |
标准转速 rpm |
转速范围 rpm |
在以下排气压力(bar,绝压)时的耗水量 m3/h |
|||||||
|
1.2 |
1.4 |
1.5 |
1.6 |
1.8 |
2.0 |
2.2 |
2.4 |
|||
|
2BE1 102-8 |
1450 |
1300~1750 |
0.8 |
0.9 |
0.9 |
1.1 |
1.2 |
1.3 |
1.5 |
- |
|
2BE1 103-8 |
1450 |
1300~1750 |
0.8 |
1.1 |
1.1 |
1.3 |
1.5 |
1.6 |
1.8 |
- |
|
2BE1 151-8 |
1450 |
1100~1750 |
0.9 |
1.2 |
1.2 |
1.4 |
1.6 |
1.7 |
1.9 |
- |
|
2BE1 152-8 |
1450 |
1100~1750 |
1.0 |
1.3 |
1.3 |
1.5 |
1.7 |
1.8 |
2.0 |
- |
|
2BE1 153-8 |
1450 |
1100~1750 |
1.2 |
1.5 |
1.5 |
1.7 |
1.9 |
2.0 |
2.2 |
- |
|
2BE1 202-8 |
980 |
790~1300 |
0.3 |
0.5 |
0.6 |
0.7 |
0.9 |
1.1 |
1.4 |
- |
|
2BE1 203-8 |
980 |
790~1300 |
0.4 |
0.6 |
0.7 |
0.7 |
0.9 |
1.2 |
1.5 |
- |
|
2BE1 252-8 |
740 |
558~938 |
1.3 |
2.1 |
3.0 |
3.2 |
4.3 |
5.4 |
6.4 |
7.5 |
|
2BE1 253-8 |
740 |
560~938 |
1.7 |
2.5 |
3.0 |
3.3 |
4.4 |
5.5 |
6.9 |
8.3 |
|
2BE1 303-8 |
660 |
466~743 |
2.3 |
3.2 |
4.0 |
4.6 |
6.0 |
8.0 |
9.5 |
10.9 |
|
2BE1 305-8 |
660 |
466~743 |
2.3 |
3.2 |
4.0 |
4.6 |
6.0 |
8.0 |
9.5 |
12.0 |
|
2BE1 355-8 |
530 |
372~660 |
3.2 |
4.4 |
5.2 |
6.3 |
8.3 |
10.8 |
13.0 |
16.0 |
|
2BE1 405-8 |
420 |
330~565 |
4.3 |
5.7 |
6.8 |
8.4 |
11.0 |
14.5 |
17.5 |
22 |
注:1、工作液种类:通常情况下用水,标准温度15℃(范围0℃至65℃);或其温度至少要低于其沸点10℃。
2、以上耗水量为在标准转速下所需的耗水量,对不同转速,数据表中的流量值应乘以(实际转速÷标准转速)
3、如需增加工作液流量,则数据表中的流量加倍。
.gif)


.gif)



