浙江中耐泵业有限公司
客服:0577-66998225
传真:0577-66998228
地址:浙江省永嘉县瓯北镇三桥工业区
自动搅匀式潜水排污泵JYWQ型
产品型号:JYWQ型
所属类目:排污泵
产品简介:JYWQ、JPWQ型自动搅匀式潜水排污泵是采用自动搅拌装置,该装置随电机轴旋转,产生极强的搅拌力,将污水池内的沉积物搅拌成悬浮物,吸入泵内排出,提高了泵的防堵、排污能力,一次性完成了排水、清污、除淤、节约了运行成本
■ JYWQ型自动搅匀式潜水排污泵产品概述:
搅匀式潜水排污泵,自动搅匀式潜污泵,自动搅匀式排污泵

JYWQ、JPWQ型自动搅匀式潜水排污泵是在普通排污泵的基础上采用自动搅拌装置,该装置随电机轴旋转,产生极强的搅拌力,将污水池内的沉积物搅拌成悬浮物,吸入泵内排出,提高了泵的防堵、排污能力,一次性完成了排水、清污、除淤、节约了运行成本,是具有明显的先进性和用性的环保产品。注:JYWQ为普通型;JPWQ为带不锈钢外套内循环冷却系统自动搅匀排污泵。
■ JYWQ型自动搅匀式潜水排污泵型号意义:
■ JYWQ型自动搅匀式潜水排污泵使用条件:
1、介质温度不超过60℃,介质重度为1~1.3 kg/dm3,PH值在4~10范围内。
2、1Cr18Ni9Ti不锈钢材质可适用各种腐蚀性介质。
注:用户如有特殊的介质、温度等要求,请在订货时注明输送介质详细情况,以便本公司提供更为可靠的产品
■ JYWQ型自动搅匀式潜水排污泵产品特点:
1.当自动搅匀排污泵运转时,自动搅拌池底沉积物,彻底防止污物淤积,无须人工清理;
2.独特的叶轮设计,具有将纤维物、杂物切碎和撕裂的功能;
3.采用外循环冷却系统,使排污泵低水位运转,减少电机起动频率,延长电机寿命;
4.国家标准图集推荐产品。
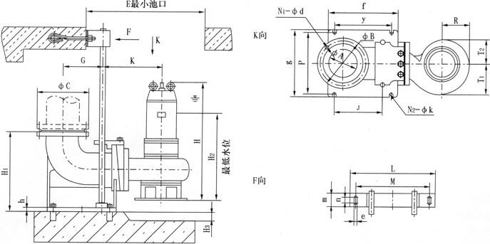
■ JYWQ型自动搅匀式潜水排污泵结构图:
|
1 |
主电缆 |
8 |
底座 |
|
|
2 |
机壳 |
9 |
隔板 |
|
|
3 |
内循环套 |
10 |
控制电缆 |
|
|
4 |
油箱 |
11 |
油水控头 |
|
|
5 |
副叶轮 |
12 |
机械密封 |
|
|
6 |
叶轮 |
13 |
搅拌件 |
|
|
7 |
泵体 |
|
|
■ JYWQ型自动搅匀式潜水排污泵结构说明:
1、采用独特的双流道无堵塞叶轮结构,提高污水污物的过流能力和排污能力。
2、自动搅拌装置,产生极强的搅拌力,将池内的沉淀物搅拌成悬浮物后吸入叶轮排出,达到清淤的作用。
3、隔板将底座一分为二,搅拌与进水互不影响。
4、机械密封为双端面机械密封,长期处于油室中,保证水泵安全可靠地运行。
5、副叶轮结构的流体动力密封,既有辅助密封作用,从而保护机械密封,又平衡轴向力,延长轴承的使用寿命。
6、泵连线腔内没有漏水检测探头,出现漏水时,探头发出信号,控制系统对泵实施保护,本公司可配全自动安全保护控制柜。
7、电机定子采用B级和F级绝缘,内设热保护器,当电机过载发热,保护器及时作出动作,对泵和电机实施绝对的保护。
8、油室内装有油水探头,当机械密封损坏后,水进入油室,探头发出信号由控制系统对水泵实施保护。
9、JPWQ带内循环冷却系统,能保证水泵在水池低水位正常工作。
■ JYWQ型自动搅匀式潜水排污泵产品用途:
1、工厂、商业严重污染废水的排放。
2、城市污水处理厂、医院、宾馆的排水系统。
3、住宅区的污水排水站。
4、人防系统排水站、自来水厂的给水装置。
5、市政工程、建筑工地。
6、勘探、矿山、发电厂配套附机。
7、农村沼气池、农田灌溉、河塘清淤。
■ JYWQ型自动搅匀式潜水排污泵性能参数:
|
序号 |
型号 |
排出口径 |
额定流量 |
额定扬程 |
搅拌直径 |
转速 |
效率 |
自动耦合器 |
|
(mm) |
(m3/h) |
(m) |
(mm) |
(r/min) |
(%) |
|||
|
1 |
JYWQ |
50 |
12 |
15 |
1200 |
2900 |
48 |
CAK-50 |
|
2 |
JYWQ50- |
50 |
20 |
7 |
1200 |
2900 |
62 |
CAK-50 |
|
3 |
JYWQ |
50 |
10 |
10 |
1200 |
2900 |
56 |
CAK-50 |
|
4 |
JYWQ50-15-15-1200-2.2 |
50 |
15 |
15 |
1200 |
2900 |
51 |
CAK-50 |
|
5 |
JYWQ50- |
50 |
25 |
10 |
1200 |
2900 |
65 |
CAK-50 |
|
6 |
JYWQ50-15-20-1200-2.2 |
50 |
15 |
20 |
1200 |
2900 |
56 |
CAK-50 |
|
7 |
JYWQ50-20-15-1200-2.2 |
50 |
20 |
15 |
1200 |
2900 |
56 |
CAK-50 |
|
8 |
JYWQ50-42-9-1200-3 |
50 |
42 |
9 |
1200 |
2900 |
56 |
CAK-50 |
|
9 |
JYWQ50-17-25-1200-3 |
50 |
17 |
25 |
1200 |
2900 |
56 |
CAK-50 |
|
10 |
JYWQ50-25-22-1200-4 |
50 |
25 |
22 |
1200 |
2900 |
62 |
CAK-50 |
|
11 |
JYWQ50-40-15-1400-4 |
50 |
40 |
15 |
1400 |
2900 |
70 |
CAK-50 |
|
12 |
JYWQ50-25-32-1600-5.5 |
50 |
25 |
32 |
1600 |
2900 |
52 |
CAK-50 |
|
13 |
JYWQ50-40-30-1600-7.5 |
50 |
40 |
30 |
1600 |
2900 |
68 |
CAK-50 |
|
14 |
JYWQ65-25-15-1400-3 |
65 |
25 |
150 |
1400 |
2900 |
65 |
CAK-65 |
|
15 |
JYWQ65-37-13-1400-3 |
65 |
37 |
13 |
1400 |
2900 |
62 |
CAK-65 |
|
16 |
JYWQ65-25-28-1400-4 |
65 |
25 |
28 |
1400 |
2900 |
60 |
CAK-65 |
|
17 |
JYWQ80-40-7-1600-2.2 |
80 |
40 |
7 |
1600 |
2900 |
54 |
CAK-80 |
|
18 |
JYWQ80- |
80 |
29 |
8 |
1600 |
2900 |
54 |
CAK-80 |
|
19 |
JYWQ80-43-13-1600-4 |
80 |
43 |
13 |
1600 |
2900 |
63 |
CAK-80 |
|
20 |
JYWQ80-50-10-1600-3 |
80 |
50 |
10 |
1600 |
1450 |
76 |
CAK-80 |
|
21 |
JYWQ80-40-15-1600-4 |
80 |
40 |
15 |
1600 |
2900 |
70 |
CAK-80 |
|
22 |
JYWQ80-60-13-1600-4 |
80 |
60 |
13 |
1600 |
2900 |
70 |
CAK-80 |
|
23 |
JYWQ80-35-25-1600-5.5 |
80 |
35 |
25 |
1600 |
2900 |
64 |
CAK-80 |
|
24 |
JYWQ80-50-25-1600-7.5 |
80 |
50 |
25 |
1600 |
2900 |
70 |
CAK-80 |
|
25 |
JYWQ80-50-30-1600-7.5 |
80 |
50 |
30 |
1600 |
2900 |
70 |
CAK-80 |
|
26 |
JYWQ100-80-9-2000-4 |
100 |
80 |
9 |
2000 |
1450 |
62 |
CAK-100 |
|
27 |
JYWQ100-110-10-2000-5.5 |
100 |
110 |
10 |
2000 |
1450 |
71 |
CAK-100 |
|
28 |
JYWQ100-70-15-2000-5.5 |
100 |
70 |
15 |
2000 |
1450 |
71 |
CAK-100 |
|
29 |
JYWQ100-100-15-2000-7.5 |
100 |
100 |
15 |
2000 |
1450 |
73 |
CAK-100 |
|
30 |
JYWQ100-80-20-2000-7.5 |
100 |
70 |
20 |
2000 |
2900 |
71 |
CAK-100 |
|
31 |
JYWQ100-50-35-2000-11 |
100 |
100 |
35 |
2000 |
2900 |
68 |
CAK-100 |
|
32 |
JYWQ100-70-22-2000-7.5 |
100 |
80 |
22 |
2000 |
2900 |
70 |
CAK-100 |
|
33 |
JYWQ100-100-22-2000-15 |
100 |
150 |
22 |
2000 |
1450 |
61 |
CAK-100 |
|
34 |
JYWQ100-80-30-2000-15 |
100 |
210 |
30 |
2000 |
1450 |
67 |
CAK-100 |
|
35 |
JYWQ150-150-10-2000-7.5 |
150 |
250 |
10 |
2000 |
1450 |
75 |
CAK-150 |
|
36 |
JYWQ150-210-7-2500-7.5 |
150 |
150 |
7 |
2500 |
1450 |
78 |
CAK-150 |
|
37 |
JYWQ150-250-6-2500-7.5 |
150 |
200 |
6 |
2500 |
1450 |
79 |
CAK-150 |
|
38 |
JYWQ150-150-15-2500-11 |
150 |
65 |
15 |
2500 |
1450 |
79 |
CAK-150 |
|
39 |
JYWQ150-200-10-2500-15 |
150 |
180 |
10 |
2500 |
1450 |
73 |
CAK-150 |
|
40 |
JYWQ150-65-40-3200-18.5 |
150 |
150 |
40 |
3200 |
1450 |
58 |
CAK-150 |
|
41 |
JYWQ150-180-22-2600-18.5 |
150 |
110 |
22 |
2600 |
1450 |
75 |
CAK-150 |
|
42 |
JYWQ150-150-26-2600-18.5 |
150 |
300 |
26 |
2600 |
1450 |
72 |
CAK-150 |
|
43 |
JYWQ150-110-30-2600-18.5 |
150 |
130 |
30 |
2600 |
1450 |
72 |
CAK-150 |
|
44 |
JYWQ150-300-15-2600-22 |
150 |
100 |
15 |
2600 |
1450 |
76 |
CAK-150 |
|
45 |
JYWQ150-130-30-2600-22 |
150 |
300 |
30 |
2600 |
1450 |
70 |
CAK-150 |
|
46 |
JYWQ150-100-40-3000-30 |
150 |
250 |
40 |
3000 |
1450 |
64 |
CAK-150 |
|
47 |
JYWQ200-300-7-3000-11 |
200 |
300 |
7 |
3000 |
1450 |
75 |
CAK-200 |
|
48 |
JYWQ200-250-11-3000-15 |
200 |
250 |
11 |
3000 |
1450 |
72 |
CAK-200 |
|
49 |
JYWQ200-300-10-3000-15 |
200 |
300 |
10 |
3000 |
1450 |
75 |
CAK-200 |
|
50 |
JYWQ200-250-15-3000-18.5 |
200 |
250 |
15 |
3000 |
1450 |
72 |
CAK-200 |
|
51 |
JYWQ200-400-10-3000-22 |
200 |
400 |
10 |
3000 |
1450 |
75 |
CAK-200 |
|
52 |
JYWQ200-200-20-3000-22 |
200 |
200 |
20 |
3000 |
1450 |
73 |
CAK-200 |
|
53 |
JYWQ200-250-22-3000-30 |
200 |
250 |
22 |
3000 |
1450 |
73 |
CAK-200 |
|
54 |
JYWQ250-600-7-3000-22 |
250 |
600 |
7 |
3000 |
1450 |
78 |
CAK-250 |
|
55 |
JYWQ250-600-9-3000-30 |
250 |
600 |
9 |
3000 |
1450 |
78 |
CAK-250 |
■ JYWQ型自动搅匀式潜水排污泵维护与保养:
1、电泵应有专人管理与使用,并定期检查电泵绕组与机壳之间的绝缘电阻是否正常。
2、每次使用特别是用于较稠较粘的介质后,应将电泵放入清水中运行数分钟,防止泵内留沉积物,保证电泵的清洁。
3、电泵拆卸、维修后,机壳组件必须经O.2MPa气压试验检验,确保电机和油室密封可靠。
■ JYWQ型自动搅匀式潜水排污泵使用注意事项:
(1)运转前应用兆欧表检查电机定子绕组对地的绝缘电阻,低不得少于50兆欧。
(2)检查电缆有无破损、折断等现象。如有损伤须及时更换,以免漏电;电缆截面应与电流相匹配。
(3)电压超过额定电压的±10%时,不得启动电泵。
(4)以保证使用安全,必须将四芯电缆中的接地线可靠接地,以防发生触电事故。
(5)电泵潜入水中时,应垂直起吊,不允许横放着地,更不能陷入污泥中。停止使用时应将电泵吊起清洗干净, 置于干燥处,并注意防冻。
(6)禁止将电缆作为安装起吊绳使用。
(7)检查转子运转方向,从上向下看应为顺时针方向旋转。
(8)室外的开关或接线端应有防雨、防潮措施,湿手或赤足时禁止触及开关,防止触电。
(9)移动电泵时,必须切断电源,电泵在运行时人不得接触水源,以防漏电发生人身事故。
(10)严禁电机缺相运转,如发现保险丝熔断,应检查原因后方可继续使用,不得任意加粗保险丝。
(11)泵运转时,应有专人管理,如发现有不正常现象应立即停机检查,排除故障。(指末配全自动保护柜的情况)。
(12)电泵在规定的工作介质条件下正常运行半年后,应检查油室密封状况,如油室中的油呈乳状或有水沉淀,应及时更换10~20号机械油和机械密封。对于在恶劣工作条件下使用的电泵,更应经常检修。
(13)用户应根据实际使用的工况选择合适的流量扬程,以达到佳使用效果,泵铭牌或说明书上所示参数为该佳使用工况点,用户可选在(0.7~1.2)倍佳流量内使用,禁止超流量使用,否则流量过大,扬程过低容易使电机过载。
.bmp)
.bmp)
.bmp)
.bmp)




