浙江中耐泵业有限公司
客服:0577-66998225
传真:0577-66998228
地址:浙江省永嘉县瓯北镇三桥工业区
FSB型氟塑料合金离心泵
产品型号:FSB型
所属类目:化工泵
产品简介:FSB型氟塑料合金离心泵杜绝跑、冒、滴、漏,广泛应用于化工、制酸、制碱、冶炼、稀土、农药、染料、医药、造纸、电镀、电解、酸洗、无线电、化成箔、科研机构、国防工业等行业。
■ FSB型氟塑料合金离心泵产品概述:

FSB型氟塑料合金离心泵按国际标准设计,泵体采用金属外壳内衬聚全氟乙丙烯(F46),泵盖、叶轮和轴套均用金属嵌件外包氟塑料整体烧结压制成型,轴封采用外装式波纹管机械密封,静环选用99%氧化铝陶瓷或氮化硅,动环采用四氟填充材料,耐腐耐磨,适用于输送任何浓度的硫酸、盐酸、醋酸、氢氟酸、硝酸、王水、强碱、强氧化剂、有机溶剂、还原剂等苛刻条件的强腐蚀性介质,是目前世界上强耐腐蚀装备之一。
中耐公司产品全部采用计算机设计和优化处理,公司拥有雄厚的技术力量、丰富的生产经验和完善的检测手段,从而保证产品质量的稳定可靠。
■ FSB型氟塑料合金离心泵型号意义:
■ FSB型氟塑料合金离心泵技术参数:
流量:3.6~100m3/h;
扬程:15~55m;
转速:2900r/min;
功率:1.5~18.5KW;
进口直径:25~100mm;
适用温度:-20℃~120℃。
■ FSB型氟塑料合金离心泵设计特点:
FSB和FSB-D氟塑料合金离心泵过流部件全部采用氟塑料合金制造,结构紧凑、操作简单、价格低廉,两种型号的泵壳、叶轮、机封等均可互换使用深受广大用户的欢迎。
■ FSB型氟塑料合金离心泵机械密封:
FSB和FSB-D氟塑料合金离心泵采用目前为先进的外装式四氟波纹管机械密封,其特点是能补偿泵轴的径向跳动,单端面密封外装式、易装卸、工作状态直观、耐腐耐磨密封性能好、拥有多层保护,延长了机封使用寿命;对于输送含杂质颗粒腐蚀性介质时,可配用无冷却水单端面硬对硬(碳化硅对碳化硅)机械密封,强碱与氢氟酸等特殊腐蚀性介质配用无压烧结碳化硅密封;用户选型时需考虑到介质中的固体含量及介质特殊腐蚀性。
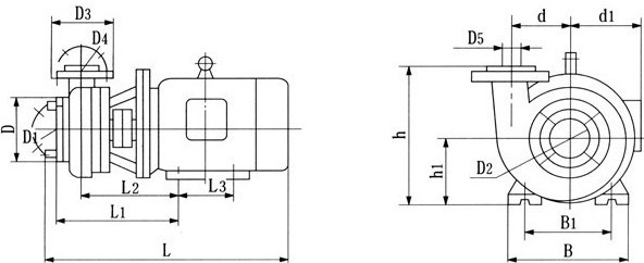
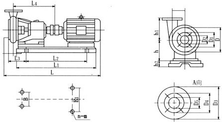
■ FSB型氟塑料合金离心泵结构图:

■ FSB型氟塑料合金离心泵结构说明:
1、泵体:左右两边连接部分内埋钢质法兰圈各一只模压塑料合金制成。
2、后盖右边一侧内埋一只不锈钢板(1Crl8Ni9Ti)模压塑料合金而成。
3、叶轮:采用接轴连接方法,金属轴为优质钢精加工后外包塑料合金模压而成,使叶轮与金属接轴牢固地结为一体,保证轴根与叶轮后部承受随旋转时的扭矩力,这样介质浸湿部分为塑料合金。
4、机械密封:采用WB2型、ST型不用冷却水可调式端面密封技术,由碳化硅、高纯度氧化铝陶瓷、填充四氟、石墨等材料制成。
■ FSB型氟塑料合金离心泵产品用途:
FSB型氟塑料合金离心泵具有结构紧凑合理、耐强腐蚀、密封性能严密可靠、工作稳定、噪声低、机械强度高、不老化、无毒素分解、维修方便、流道光滑、效率高,节约能源等优点。杜绝跑、冒、滴、漏,广泛应用于化工、制酸、制碱、冶炼、稀土、农药、染料、医药、造纸、电镀、电解、酸洗、无线电、化成箔、科研机构、国防工业等行业。
■ FSB型氟塑料合金离心泵性能参数:

■ FSB型氟塑料合金离心泵使用说明:
起动与停车
1、往水泵内注足液体(引液)。
2、检查支架油室的油位是否在规定范围内。
3、检查电动机运转方向,查看泵的放置标记。
4、关闭出口阀门及压力表旋塞。
5、启动电机,打开压力表旋塞,慢慢打开出口阀门。当压力表指针指到需要的位置时,停止出水阀门大小的调整。
6、需要停车时,首先关闭出水阀,再切断电源。
■ FSB型氟塑料合金离心泵拆装与安装:
泵的拆卸
1.泵与电机联接用爪型联轴器连接,拆卸时先松掉支架与底座的4只连接螺栓.使泵与电机脱开。
2.松开泵体后盖的连接螺栓.用木柄轻击泵体脱开。
3.松开叶轮轴与泵轴莫氏锥度连接在连轴器中的吊紧螺栓。
4.松开机械密封动!不固定螺钉,用木锤轻击连轴器中心吊紧螺栓,叶轮轴与泵轴莫氏锥度松开后拉出叶轮、后盖、密封件动环.松开后盖上压盖螺钉.取出靜坏。
5.松开泵轴左右压盖螺钉.取出泵轴、轴承、清洗支架油室。
装配
按拆卸的相反顺序将密封件动环、靜环、后盖、压盖、叶轮、泵体等装上紧定螺栓。
■ FSB型氟塑料合金离心泵使用注意事项:
安装及注意事项
1.在安装前应对泵和电机进行检査,各部分应完好无损,泵内无杂物。
2.将本泵放置水平位置上接上进、出管和接通电源.后用手盘动联轴器.检査有无碰擦现象.转动轻松均勻则安装结束。
3.塑料合金离心泵钢度较金属差,故管路重量不能直接压在泵体上,迸、出口管路应另加支架承受.扬程高的泵在出口还应安装逆止阀.以防突然停机的水锤破坏。
4.所有接合处必须保持密封.以防漏气、液影响泵的工作性能。
5.运转过程中如发现撅动或不正常声音时.应立即停车检査原因.故降排除后才能工作。
起动与停车
1.往水泵内注足液体(引液)。
2.桧査支架油室的油位是否在规定范围内。
3.检査电动机运转方向.调看泵的旋转标记。
4.关闭出口阀门及压力表旋塞。
5.启动电机.打开压力表旋塞.慢慢打开出口阀门,当压
6.重要停车时,首先关闭出水阀,再切断电源。
力表指针指到需要的位置时.停止出水阀门大小的调整。
化工泵订货友情提示:
● 请提供以下详细数据:①FSB型氟塑料合金离心泵产品名称与型号②FSB型氟塑料合金离心泵流量③FSB型氟塑料合金离心泵扬程(m)④FSB型氟塑料合金离心泵口径⑤FSB型氟塑料合金离心泵电机功率(KW)⑥FSB型氟塑料合金离心泵转速(r/min)⑦FSB型氟塑料合金离心泵电压〔V〕⑧FSB型氟塑料合金离心泵吸程(m)⑨FSB型氟塑料合金离心泵是否带附件以便我们的为您正确选型。
● 若已经由设计单位选定我公司的FSB型氟塑料合金离心泵产品型号,请按FSB型氟塑料合金离心泵直接向中耐泵阀销售部订购。
● 当使用的场合非常重要或环境比较复杂时,请您尽量提供设计图纸和详细参数,由我们中耐泵阀的技术专家为您审核把关。
● 感谢您访问我们中耐泵阀的网站【www.b-fz.com】如有任何疑问.您可以致电给我们销售部,我们一定会尽心尽力为您提供优质的服务。


.jpg)




