浙江中耐泵业有限公司
客服:0577-66998225
传真:0577-66998228
地址:浙江省永嘉县瓯北镇三桥工业区
卧式多级离心泵D、DG型
产品型号:D、DG型
所属类目:离心泵
产品简介:D、DG型卧式多级离心泵适用于工业和城市给排水、高层建筑增压供水,园林喷灌、消防增压、远距离送水、采暖、浴室等冷暖水循环增压及设备配套等,尤其适用于小型锅炉给水。
■ D、DG型卧式多级离心泵产品概述:

D、DG型卧式、单吸多级、分段式离心泵。具有效率高、性能范围广、运行安全平稳、噪音低、寿命长、安装维修方便等特点。供输送清水或物理化学性质类似于水的其它液体。也可以通过改变泵过流部件材质、密封形式和增加冷却系统用于输送热水、油类、腐蚀性或含磨粒的介质。产品执行JB/T1051-93《多级清水离心泵型式与基本参数》标准。
本司产品全部采用计算机设计和优化处理,公司拥有雄厚的技术力量、丰富的生产经验和完善的检测手段,从而保证产品质量的稳定可靠。
■ D、DG型卧式多级离心泵型号意义:
■ D、DG型卧式多级离心泵产品特点:
1、水力模型先进,效率高,性能范围广。
2、泵运行平稳,噪音低。
3、轴封采用软填料密封或机械密封,密封安全可靠、结构简单,维修方便快捷。
4、轴为全封结构,确保了不与介质接触,不锈蚀,使用寿命长。
■ D、DG型卧式多级离心泵技术参数:
流量:6.3-300m3/h;
扬程:13-650m;
功率:2.2-400KW;
转速:1450-2950r/min;
口径:φ50-φ200;
温度范围:≤105℃;
工作压力:≤3.0Mpa。
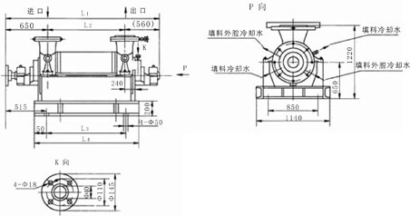
■ D、DG型卧式多级离心泵结构图:
DG泵(中低压)结构图.填料密封-水封水引自第一级叶轮
|
|
|||||
|
1 |
轴承体 |
6 |
导叶 |
11 |
尾盖 |
|
2 |
进水段 |
7 |
密封环 |
12 |
填料密封部件 |
|
3 |
平衡水管 |
8 |
中段 |
13 |
水冷填料压盖 |
|
4 |
导叶套 |
9 |
出水段 |
14 |
O型密封圈 |
|
5 |
叶轮 |
10 |
平衡盘 |
15 |
轴承部件 |
DG泵(中低压)结构图.填料密封-水封水用外接水
DG泵(中低压)结构图.填料密封-机械密封
|
|
|||||
|
1 |
轴承体 |
6 |
导叶 |
11 |
尾盖 |
|
2 |
进水段 |
7 |
密封环 |
12 |
机械密封部件 |
|
3 |
平衡水管 |
8 |
中段 |
13 |
水冷机械压盖 |
|
4 |
导叶套 |
9 |
出水段 |
14 |
O型密封圈 |
|
5 |
叶轮 |
10 |
平衡盘 |
15 |
轴承部件 |
DG泵(次高压)结构图
■ D、DG型卧式多级离心泵结构说明:
D、DG型卧式多级离心泵进、出水口均为垂直向上,通过拉紧螺栓将泵的进水段、中段、出水段、轴承体等泵壳体部分联结成一体。根据泵的扬程选择泵的级数。
D、DG型卧式多级离心泵转子部分主要由轴及安装在轴上的叶轮、轴套、平衡盘等零件组成,其中叶轮的数量根据泵的级数而定。轴上零件用平键和轴螺母紧固使之与轴联为一体。整个转子由两端滚动轴承或滑动轴承支承。轴承按型号不同而定,均不承受轴向力,其轴向力由平衡盘平衡。泵在运行中允许转子在泵壳中轴向游动,不能采用向心球轴承。滚动轴承用油脂润滑,滑动轴承用稀油润滑,并用油环进行自润滑,循环水冷却。
D、DG型卧式多级离心泵的进水段、中段、出水段之间的密封面均采用二硫化钼润滑脂密封,转子部分与固定部分之间装有密封环、导叶套等进行密封,当密封环和导叶套的磨损程度已影响泵的工作性能时应予更换。
轴的密封形式有机械密封和填料密封两种。泵采用填料密封时,填料环的位置安放要正确,填料的松紧程度必须适当,以液体能一滴一滴渗出为宜。泵各种密封元件装在密封箱内,箱内要通入一定压力的水,起水封、水冷或水润滑作用。在轴封处装有可更换的轴套,以保护泵轴。
D、DG型卧式多级离心泵一般采用滚动轴承、干油润滑结构,DG85-67、DG155-67型泵可采用滑动轴承、稀油润滑结构,也可采用滚动轴承、干油润滑结构。泵的主要零件材料一般采用优质铸铁,也可采用铸钢或不锈钢。
D、DG型卧式多级离心泵通过弹性联轴器由原动机直接驱动,从原动机方向看,泵为顺时针方向旋转。
■ D、DG型卧式多级离心泵产品用途:
D、DG型卧式多级离心泵适用于工业和城市给排水、高层建筑增压供水,园林喷灌、消防增压、远距离送水、采暖、浴室等冷暖水循环增压及设备配套等,尤其适用于小型锅炉给水。
■ D、DG型卧式多级离心泵性能参数:
|
泵型号 |
转速 |
流量 |
扬程 |
效率 |
功率(KW) |
必需 |
||
|
m3/h |
L/S |
轴功率 |
电机功率 |
|||||
|
D |
2950 |
3.75 |
1.04 |
76.5 |
33 |
2.37 |
5.5 |
2.0 |
|
6.3 |
1.75 |
75 |
45 |
2.86 |
2.0 |
|||
|
7.5 |
2.08 |
73.5 |
47 |
3.19 |
2.5 |
|||
|
D |
2950 |
3.75 |
1.04 |
102 |
33 |
3.16 |
7.5 |
2.0 |
|
6.3 |
1.75 |
100 |
45 |
3.81 |
2.0 |
|||
|
7.5 |
2.08 |
98 |
47 |
4.26 |
2.5 |
|||
|
D |
2950 |
3.75 |
1.04 |
127.5 |
33 |
3.95 |
7.5 |
2.0 |
|
6.3 |
1.75 |
125 |
45 |
4.77 |
2.0 |
|||
|
7.5 |
2.08 |
122.5 |
47 |
5.32 |
2.5 |
|||
|
D |
2950 |
3.75 |
1.04 |
153 |
33 |
4.73 |
11 |
2.0 |
|
6.3 |
1.75 |
150 |
45 |
5.72 |
2.0 |
|||
|
7.5 |
2.08 |
147 |
47 |
6.39 |
2.5 |
|||
|
D |
2950 |
3.75 |
1.04 |
178.5 |
33 |
5.52 |
11 |
2.0 |
|
6.3 |
1.75 |
175 |
45 |
6.67 |
2.0 |
|||
|
7.5 |
2.08 |
171.5 |
47 |
7.45 |
2.5 |
|||
|
D |
2950 |
3.75 |
1.04 |
204 |
33 |
6.31 |
15 |
2.0 |
|
6.3 |
1.75 |
200 |
45 |
7.63 |
2.0 |
|||
|
7.5 |
2.08 |
196 |
47 |
8.58 |
2.5 |
|||
|
D |
2950 |
3.75 |
1.04 |
229.5 |
33 |
7.10 |
15 |
2.0 |
|
6.3 |
1.75 |
225 |
45 |
8.52 |
2.0 |
|||
|
7.5 |
2.08 |
220.5 |
47 |
9058 |
2.5 |
|||
|
D |
2950 |
3.75 |
1.04 |
255 |
33 |
7.89 |
18.5 |
2.0 |
|
6.3 |
1.75 |
250 |
45 |
9.53 |
2.0 |
|||
|
7.5 |
2.08 |
245 |
47 |
10.63 |
2.5 |
|||
|
D |
2950 |
3.75 |
1.04 |
280.5 |
33 |
8.68 |
18.5 |
2.0 |
|
6.3 |
1.75 |
275 |
45 |
10.5 |
2.0 |
|||
|
7.5 |
2.08 |
269.5 |
47 |
11.71 |
2.5 |
|||
|
D |
2950 |
3.75 |
1.04 |
306 |
33 |
9.47 |
18.5 |
2.0 |
|
6.3 |
1.75 |
300 |
45 |
11.44 |
2.0 |
|||
|
7.5 |
2.08 |
294 |
47 |
12.78 |
2.5 |
|||
|
D |
2950 |
7.5 |
2.08 |
84.6 |
44 |
3.93 |
7.5 |
2.0 |
|
12.5 |
3.47 |
75 |
54 |
4.73 |
2.0 |
|||
|
15.0 |
4.17 |
69 |
53 |
5.37 |
2.5 |
|||
|
D |
2950 |
7.5 |
2.08 |
112.8 |
44 |
5.24 |
11 |
2.0 |
|
12.5 |
3.47 |
100 |
54 |
6.30 |
2.0 |
|||
|
15.0 |
4.17 |
92 |
53 |
7.09 |
2.5 |
|||
|
D |
2950 |
7.5 |
2.08 |
141 |
44 |
6.55 |
11 |
2.0 |
|
12.5 |
3.47 |
125 |
54 |
7.88 |
2.0 |
|||
|
15.0 |
4.17 |
115 |
53 |
8.86 |
2.5 |
|||
|
D |
2950 |
7.5 |
2.08 |
169.2 |
44 |
7.85 |
15 |
2.0 |
|
12.5 |
3.47 |
150 |
54 |
9.46 |
2.0 |
|||
|
15.0 |
4.17 |
138 |
53 |
10.64 |
2.5 |
|||
|
D |
2950 |
7.5 |
2.08 |
197.4 |
44 |
9.16 |
15 |
2.0 |
|
12.5 |
3.47 |
175 |
54 |
11.0 |
2.0 |
|||
|
15.0 |
4.17 |
161 |
53 |
12.41 |
2.5 |
|||
|
D |
2950 |
7.5 |
2.08 |
225.6 |
44 |
10.47 |
18.5 |
2.0 |
|
12.5 |
3.47 |
200 |
54 |
12.51 |
2.0 |
|||
|
15.0 |
4.17 |
184 |
53 |
14.18 |
2.5 |
|||
|
D |
2950 |
7.5 |
2.08 |
253.8 |
44 |
11.78 |
18.5 |
2.0 |
|
12.5 |
3.47 |
225 |
54 |
14.18 |
2.0 |
|||
|
15.0 |
4.17 |
207 |
53 |
15.95 |
2.5 |
|||
|
D |
2950 |
7.5 |
2.08 |
282 |
44 |
13.09 |
22 |
2.0 |
|
12.5 |
3.47 |
250 |
54 |
15.76 |
2.0 |
|||
|
15.0 |
4.17 |
230 |
53 |
17.73 |
2.5 |
|||
|
D |
2950 |
7.5 |
2.08 |
310.2 |
44 |
14.4 |
22 |
2.0 |
|
12.5 |
3.47 |
275 |
54 |
17.34 |
2.0 |
|||
|
15.0 |
4.17 |
253 |
53 |
19.5 |
2.5 |
|||
|
D |
2950 |
7.5 |
2.08 |
338.4 |
44 |
15.7 |
30 |
2.0 |
|
12.5 |
3.47 |
300 |
54 |
18.9 |
2.0 |
|||
|
15.0 |
4.17 |
276 |
53 |
27.3 |
2.5 |
|||
|
D |
2950 |
15 |
4.17 |
102 |
50 |
8.33 |
15 |
2.2 |
|
25 |
6.94 |
90 |
62 |
9.88 |
2.2 |
|||
|
30 |
8.33 |
82.6 |
63 |
10.7 |
2.6 |
|||
|
D |
2950 |
15 |
4.17 |
136 |
50 |
11.11 |
18.5 |
2.2 |
|
25 |
6.94 |
120 |
62 |
13.1 |
2.2 |
|||
|
30 |
8.33 |
110 |
63 |
14.26 |
2.6 |
|||
|
D |
2950 |
15 |
4.17 |
170 |
50 |
13.89 |
22 |
2.2 |
|
25 |
6.94 |
150 |
62 |
16.47 |
2.2 |
|||
|
30 |
8.33 |
137.5 |
63 |
17.83 |
2.6 |
|||
|
D |
2950 |
15 |
4.17 |
204 |
50 |
16.67 |
30 |
2.2 |
|
25 |
6.94 |
180 |
62 |
19.77 |
2.2 |
|||
|
30 |
8.33 |
165 |
63 |
21.4 |
2.6 |
|||
|
D |
2950 |
15 |
4.17 |
238 |
50 |
19.44 |
30 |
2.2 |
|
25 |
6.94 |
210 |
62 |
23.1 |
2.2 |
|||
|
30 |
8.33 |
192.5 |
63 |
24.90 |
2.6 |
|||
|
D |
2950 |
15 |
4.17 |
272 |
50 |
22.22 |
37 |
2.2 |
|
25 |
6.94 |
240 |
62 |
26.4 |
2.2 |
|||
|
30 |
8.33 |
220 |
63 |
28.53 |
2.6 |
|||
|
D |
2950 |
15 |
4.17 |
306 |
50 |
25.0 |
37 |
2.2 |
|
25 |
6.94 |
270 |
62 |
29.65 |
2.2 |
|||
|
30 |
8.33 |
247.5 |
63 |
32.1 |
2.6 |
|||
|
D |
2950 |
15 |
4.17 |
340 |
50 |
27.8 |
45 |
2.2 |
|
25 |
6.94 |
300 |
62 |
32.9 |
2.2 |
|||
|
30 |
8.33 |
275 |
63 |
35.7 |
2.6 |
|||
|
D |
2950 |
30 |
8.33 |
102 |
64 |
13.02 |
22 |
2.4 |
|
46 |
12.5 |
90 |
70 |
16.11 |
3.0 |
|||
|
55 |
15.3 |
81 |
68 |
17.84 |
4.6 |
|||
|
D |
2950 |
30 |
8.33 |
136 |
64 |
17.36 |
30 |
2.4 |
|
46 |
12.8 |
120 |
70 |
21.48 |
3.0 |
|||
|
55 |
15.3 |
108 |
68 |
23.79 |
4.6 |
|||
|
D |
2950 |
30 |
8.33 |
170 |
64 |
21.7 |
37 |
2.4 |
|
46 |
12.8 |
150 |
70 |
26.85 |
3.0 |
|||
|
55 |
15.3 |
135 |
68 |
29.74 |
4.6 |
|||
|
D |
2950 |
30 |
8.33 |
204 |
64 |
26.04 |
37 |
2.4 |
|
46 |
12.8 |
180 |
70 |
32.21 |
3.0 |
|||
|
55 |
15.3 |
162 |
68 |
35.68 |
4.6 |
|||
|
D |
2950 |
30 |
8.33 |
238 |
64 |
30.38 |
45 |
2.4 |
|
46 |
12.8 |
210 |
70 |
37.58 |
3.0 |
|||
|
55 |
15.3 |
189 |
68 |
41.63 |
4.6 |
|||
|
D |
2950 |
30 |
8.33 |
274 |
64 |
34.72 |
55 |
2.4 |
|
46 |
12.8 |
240 |
70 |
42.95 |
3.0 |
|||
|
55 |
15.3 |
216 |
68 |
47.58 |
4.6 |
|||
|
D |
2950 |
30 |
8.33 |
306 |
64 |
39.06 |
55 |
2.4 |
|
46 |
12.8 |
270 |
70 |
48.32 |
3.0 |
|||
|
55 |
15.3 |
243 |
68 |
53.53 |
4.6 |
|||
|
D |
2950 |
30 |
8.33 |
340 |
64 |
43.4 |
75 |
2.4 |
|
46 |
12.8 |
300 |
70 |
53.69 |
3.0 |
|||
|
55 |
15.3 |
270 |
344 |
59.47 |
4.6 |
|||
|
D |
2950 |
30 |
8.33 |
166.5 |
54 |
25.19 |
37 |
2.5 |
|
46 |
12.8 |
150 |
63 |
29.83 |
2.8 |
|||
|
55 |
15.3 |
138 |
64 |
32.3 |
3.2 |
|||
|
D |
2950 |
30 |
8.33 |
222 |
54 |
33.59 |
45 |
2.5 |
|
46 |
12.8 |
200 |
63 |
39.77 |
2.8 |
|||
|
55 |
15.3 |
184 |
64 |
43.06 |
3.2 |
|||
|
D |
2950 |
30 |
8.33 |
277.5 |
54 |
41.98 |
55 |
2.5 |
|
46 |
12.8 |
250 |
63 |
49.71 |
2.8 |
|||
|
55 |
15.3 |
230 |
64 |
53.83 |
3.2 |
|||
|
D |
2950 |
30 |
8.33 |
333 |
54 |
50.38 |
75 |
2.5 |
|
46 |
12.8 |
300 |
63 |
59.65 |
2.8 |
|||
|
55 |
15.3 |
276 |
64 |
64.59 |
3.2 |
|||
|
D |
2950 |
30 |
8.33 |
388.5 |
54 |
58.78 |
75 |
2.5 |
|
46 |
12.8 |
250 |
63 |
69.6 |
2.8 |
|||
|
55 |
15.3 |
322 |
64 |
72.36 |
90 |
3.2 |
||
|
D |
2950 |
30 |
8.33 |
440 |
54 |
67.18 |
90 |
2.5 |
|
46 |
12.8 |
400 |
63 |
79.54 |
2.8 |
|||
|
55 |
15.3 |
368 |
64 |
86.12 |
3.2 |
|||
|
D |
2950 |
30 |
8.33 |
499.5 |
54 |
75.57 |
110 |
2.5 |
|
46 |
12.8 |
450 |
63 |
89.48 |
2.8 |
|||
|
55 |
15.3 |
414 |
64 |
96.89 |
3.2 |
|||
|
D |
2950 |
30 |
8.33 |
555 |
54 |
83.97 |
110 |
2.5 |
|
46 |
12.8 |
500 |
63 |
99.42 |
2.8 |
|||
|
55 |
15.3 |
460 |
64 |
107.66 |
3.2 |
|||
|
D |
2950 |
30 |
8.33 |
610.5 |
54 |
92.37 |
132 |
2.5 |
|
46 |
12.8 |
550 |
63 |
109.36 |
2.8 |
|||
|
55 |
15.3 |
506 |
64 |
118.42 |
3.2 |
|||
|
D |
2950 |
30 |
8.33 |
666 |
54 |
100.8 |
132 |
2.5 |
|
46 |
12.8 |
600 |
63 |
119.8 |
2.8 |
|||
|
55 |
15.3 |
552 |
64 |
129.2 |
3.2 |
|||
|
D |
2950 |
55 |
15.3 |
102 |
63 |
24.25 |
37 |
3.2 |
|
85 |
23.6 |
90 |
72 |
28.94 |
4.2 |
|||
|
100 |
27.8 |
78 |
70 |
30.35 |
5.2 |
|||
|
D |
2950 |
55 |
15.3 |
153 |
63 |
36.38 |
55 |
3.2 |
|
85 |
23.6 |
135 |
72 |
43.3 |
4.2 |
|||
|
100 |
27.8 |
117 |
70 |
45.52 |
5.2 |
|||
|
D |
2950 |
55 |
15.3 |
204 |
63 |
48.5 |
75 |
3.2 |
|
85 |
23.6 |
180 |
72 |
57.87 |
4.2 |
|||
|
100 |
27.8 |
156 |
70 |
60.7 |
5.2 |
|||
|
D |
2950 |
55 |
15.3 |
255 |
63 |
60.63 |
90 |
3.2 |
|
85 |
23.6 |
225 |
72 |
72.34 |
4.2 |
|||
|
100 |
27.8 |
195 |
70 |
75.86 |
5.2 |
|||
|
D |
2950 |
55 |
15.3 |
306 |
63 |
72.75 |
110 |
3.2 |
|
85 |
23.6 |
270 |
72 |
86.81 |
4.2 |
|||
|
100 |
27.8 |
234 |
70 |
91.04 |
5.2 |
|||
|
D |
2950 |
55 |
15.3 |
357 |
63 |
84.88 |
132 |
3.2 |
|
85 |
23.6 |
315 |
72 |
101.3 |
4.2 |
|||
|
100 |
27.8 |
273 |
70 |
106.2 |
5.2 |
|||
|
D |
2950 |
55 |
15.3 |
408 |
63 |
97.0 |
132 |
3.2 |
|
85 |
23.6 |
360 |
72 |
115.7 |
4.2 |
|||
|
100 |
27.8 |
312 |
70 |
121.4 |
5.2 |
|||
|
D |
2950 |
55 |
15.3 |
459 |
63 |
109.1 |
160 |
3.2 |
|
85 |
23.6 |
405 |
72 |
130.2 |
4.2 |
|||
|
100 |
27.8 |
351 |
70 |
136.6 |
5.2 |
|||
|
D |
1480 |
100 |
27.8 |
65 |
64 |
27.66 |
55 |
3.2 |
|
155 |
43 |
60 |
75 |
33.77 |
3.9 |
|||
|
185 |
51.4 |
55 |
75 |
36.95 |
4.8 |
|||
|
D |
1480 |
100 |
27.8 |
97.5 |
64 |
41.2 |
75 |
3.2 |
|
155 |
43 |
90 |
75 |
50.65 |
3.9 |
|||
|
185 |
51.4 |
82.5 |
75 |
55.4 |
4.8 |
|||
|
D |
1480 |
100 |
27.8 |
130 |
64 |
55.32 |
90 |
3.2 |
|
155 |
43 |
120 |
75 |
67.54 |
3.9 |
|||
|
185 |
51.4 |
110 |
75 |
73.9 |
4.8 |
|||
|
D |
1480 |
100 |
27.8 |
162.5 |
64 |
69.15 |
110 |
3.2 |
|
155 |
43 |
150 |
75 |
84.42 |
3.9 |
|||
|
185 |
51.4 |
137.5 |
75 |
92.37 |
4.8 |
|||
|
D |
1480 |
100 |
27.8 |
195 |
64 |
82.98 |
132 |
3.2 |
|
155 |
43 |
180 |
75 |
101.3 |
3.9 |
|||
|
185 |
51.4 |
165 |
75 |
110.8 |
4.8 |
|||
|
D |
1480 |
100 |
27.8 |
227.5 |
64 |
96.81 |
160 |
3.2 |
|
155 |
43 |
210 |
75 |
118.2 |
3.9 |
|||
|
185 |
51.4 |
192.5 |
75 |
29.3 |
4.8 |
|||
|
D |
1480 |
100 |
27.8 |
260 |
64 |
110.6 |
, , 180 |
3.2 |
|
155 |
43, |
240 |
75 |
135.1 |
3.9 |
|||
|
185 |
51.4 |
220 |
75 |
147.8 |
4.8 |
|||
|
D |
1480 |
100 |
27.8 |
292.5 |
64 |
124.5 |
180 |
3.2 |
|
155 |
43 |
270 |
75 |
152 |
3.9 |
|||
|
185 |
51.4 |
247.5 |
75 |
166.3 |
4.8 |
|||
|
D |
1480 |
100 |
27.8 |
325 |
64 |
138.3 |
225 |
3.2 |
|
155 |
43 |
300 |
75 |
168.8 |
3.9 |
|||
|
185 |
51.4 |
725 |
75 |
184.7 |
4.8 |
|||
|
D |
2950 |
100 |
27.8 |
228 |
64 |
97.0 |
132 |
3.2 |
|
155 |
43 |
200 |
74 |
114.7 |
5.0 |
|||
|
185 |
51.4 |
177 |
72 |
123.9 |
6.6 |
|||
|
D |
2950 |
100 |
27.8 |
304 |
64 |
129.4 |
185 |
3.2 |
|
155 |
43 |
268 |
74 |
152.9 |
5.0 |
|||
|
185 |
51.4 |
236 |
72 |
165.1 |
6.6 |
|||
|
D |
2950 |
100 |
27.8 |
380 |
64 |
161.7 |
220 |
3.2 |
|
155 |
43 |
335 |
74 |
191.1 |
5.0 |
|||
|
185 |
51.4 |
295 |
72 |
206.4 |
6.6 |
|||
|
D |
2950 |
100 |
27.8 |
456 |
64 |
194 |
275 |
3.2 |
|
155 |
43 |
402 |
74 |
229.3 |
5.0 |
|||
|
185 |
51.4 |
354 |
72 |
247.7 |
6.6 |
|||
|
D |
2950 |
100 |
27.8 |
532 |
64 |
226.4 |
350 |
3.2 |
|
155 |
43 |
469 |
74 |
267.5 |
5.0 |
|||
|
185 |
51.4 |
413 |
72 |
289 |
6.6 |
|||
|
D |
2950 |
100 |
27.8 |
608 |
64 |
258.7 |
350 |
3.2 |
|
155 |
43 |
536 |
74 |
305.7 |
5.0 |
|||
|
185 |
51.4 |
472 |
72 |
330.3 |
6.6 |
|||
|
D |
2950 |
100 |
27.8 |
684 |
64 |
291.1 |
440 |
3.2 |
|
155 |
43 |
603 |
74 |
344 |
5.0 |
|||
|
185 |
51.4 |
531 |
72 |
371.9 |
6.6 |
|||
|
D |
1480 |
185 |
51.4 |
94 |
69 |
68.6 |
110 |
3.0 |
|
280 |
77.8 |
86 |
77 |
85.17 |
4.7 |
|||
|
335 |
93.1 |
76 |
75 |
92.4 |
6.0 |
|||
|
D |
1480 |
185 |
51.4 |
141 |
69 |
103 |
150 |
3.0 |
|
280 |
77.8 |
129 |
77 |
127.7 |
4.7 |
|||
|
335 |
93.1 |
114 |
75 |
138.7 |
6.0 |
|||
|
D |
1480 |
185 |
51.4 |
188 |
69 |
137.3 |
230 |
3.0 |
|
280 |
77.8 |
172 |
77 |
170.3 |
4.7 |
|||
|
335 |
93.1 |
152 |
75 |
184.9 |
6.0 |
|||
|
D |
1480 |
185 |
51.4 |
235 |
69 |
171.6 |
300 |
3.0 |
|
280 |
77.8 |
215 |
77 |
212.9 |
4.7 |
|||
|
335 |
93.1 |
190 |
75 |
231.1 |
6.0 |
|||
|
D |
1480 |
185 |
51.4 |
282 |
69 |
205.9 |
300 |
3.0 |
|
280 |
77.8 |
258 |
77 |
255.5 |
4.7 |
|||
|
335 |
93.1 |
228 |
75 |
277.3 |
6.0 |
|||
|
D |
1480 |
185 |
51.4 |
329 |
69 |
240.2 |
350 |
3.0 |
|
280 |
77.8 |
304 |
77 |
298.1 |
4.7 |
|||
|
335 |
93.1 |
226 |
75 |
323.6 |
6.0 |
|||
|
D |
1480 |
185 |
51.4 |
376 |
69 |
274.5 |
410 |
3.0 |
|
280 |
77.8 |
344 |
77 |
304.7 |
4.7 |
|||
|
335 |
93.1 |
304 |
75 |
369.8 |
6.0 |
|||
|
D |
1480 |
185 |
51.4 |
423 |
69 |
308.9 |
430 |
3.0 |
|
280 |
77.8 |
387 |
77 |
383.2 |
4.7 |
|||
|
335 |
93.1 |
3742 |
75 |
416 |
6.0 |
|||
|
D |
1480 |
185 |
51.4 |
408 |
61 |
337 |
500 |
2.8 |
|
280 |
77.8 |
390 |
73 |
407.4 |
3.7 |
|||
|
335 |
93.1 |
372 |
75 |
452.5 |
5.0 |
|||
|
D |
1480 |
185 |
51.4 |
476 |
61 |
393.1 |
680 |
2.8 |
|
280 |
77.8 |
455 |
73 |
475.3 |
3.7 |
|||
|
335 |
93.1 |
434 |
75 |
528 |
5.0 |
|||
|
D |
1480 |
185 |
51.4 |
544 |
61 |
449.3 |
680 |
2.8 |
|
280 |
77.8 |
520 |
73 |
543.2 |
3.7 |
|||
|
335 |
93.1 |
496 |
75 |
603.3 |
5.0 |
|||
|
D |
1480 |
185 |
51.4 |
612 |
61 |
505.5 |
850 |
2.8 |
|
280 |
77.8 |
585 |
73 |
611.1 |
3.7 |
|||
|
335 |
93.1 |
558 |
75 |
678.8 |
5.0 |
|||
|
D |
1480 |
185 |
51.4 |
680 |
61 |
561.8 |
850 |
2.8 |
|
280 |
77.8 |
650 |
73 |
579 |
3.7 |
|||
|
335 |
93.1 |
620 |
75 |
754.2 |
5.0 |
|||
|
D |
1480 |
335 |
93.1 |
195 |
72 |
247.1 |
360 |
3.8 |
|
450 |
125 |
180 |
76 |
289.2 |
4.9 |
|||
|
500 |
139 |
171 |
78 |
298.5 |
6.0 |
|||
|
D |
1480 |
335 |
93.1 |
260 |
72 |
329.4 |
500 |
3.8 |
|
450 |
125 |
240 |
76 |
372.3 |
4.9 |
|||
|
500 |
139 |
228 |
78 |
398 |
6.0 |
|||
|
D |
1480 |
335 |
93.1 |
320 |
72 |
411.8 |
680 |
3.8 |
|
450 |
125 |
300 |
76 |
465.4 |
4.9 |
|||
|
500 |
139 |
285 |
78 |
497.5 |
6.0 |
|||
|
D |
1480 |
335 |
93.1 |
390 |
72 |
494.2 |
680 |
3.8 |
|
450 |
125 |
360 |
76 |
558.5 |
4.9 |
|||
|
500 |
139 |
242 |
78 |
597 |
6.0 |
|||
|
D |
1480 |
335 |
93.1 |
455 |
72 |
576.5 |
850 |
3.8 |
|
450 |
125 |
420 |
76 |
651.5 |
4.9 |
|||
|
500 |
139 |
399 |
78 |
696.5 |
6.0 |
|||
|
D |
1480 |
335 |
93.1 |
520 |
72 |
658.9 |
850 |
3.8 |
|
450 |
125 |
480 |
76 |
744.6 |
4.9 |
|||
|
500 |
139 |
456 |
78 |
796 |
6.0 |
|||
|
D |
1480 |
335 |
93.1 |
585 |
72 |
741.2 |
1050 |
3.8 |
|
450 |
125 |
540 |
76 |
837.7 |
4.9 |
|||
|
500 |
139 |
513 |
78 |
823.6 |
6.0 |
|||
|
D |
1480 |
335 |
93.1 |
650 |
72 |
930.8 |
1050 |
3.8 |
|
450 |
125 |
600 |
76 |
995.1 |
4.9 |
|||
|
500 |
139 |
570 |
78 |
|
6.0 |
|||
■ D、DG型卧式多级离心泵使用说明:
一、启动
泵起动前应转动泵转子,检查转子是否灵活;
检查电机转向是否与泵转向一致;
打开泵吸入阀,关闭泵出口管路闸阀及压力表旋塞,使泵内充满液体,或用真空系统排除吸入管和泵内空气;
检查泵和电机联接螺栓的松紧程度和泵周围的安全情况,使泵处于准备起动状态;
起动电机,待泵运转正常后,打开压力表旋塞,慢慢开启泵出口闸阀,直到压力表指针指到所需压力为止(按出口压力表读数控制泵给定的扬程)。
二、运行
该泵靠泵内平衡机构平衡轴向力,平衡装置内有平衡液体流出,平衡液体由平衡水管接至进水段,或在平衡室外设计一短管,平衡液体经短管流向泵外。为保证泵正常运行,平衡水管绝对不允许堵塞;
在开车和运行过程中,必须注意观察仪表读数,轴承发热、填料漏水和发热及泵的振动和声音等是否正常,如发现异常情况,应及时处理;
轴承温升变化反映了泵的装配质量,轴承温升不得高于环境温度35℃,轴承的高温度不得高于75℃;
泵转子在运行中存在一定的轴向窜动,轴向窜动应在允许范围内,应保证电机和水泵两联轴器端面间的间隙值;
泵在运行期间应定期检查叶轮、密封环、导叶套、轴套、平衡盘等零件的磨损情况,磨损过大时应及时更换。
三、停机
停机前应先关闭压力表旋塞,慢慢关闭出口闸阀,待出口阀关闭完毕后再停电机,泵停稳后再关闭泵的吸入阀;泵内水放出,如长期停用,应将泵拆卸清洗上油,包装保管。
.jpg)
.jpg)






