浙江中耐泵业有限公司
客服:0577-66998225
传真:0577-66998228
地址:浙江省永嘉县瓯北镇三桥工业区
不锈钢立式多级离心泵CDLF型
产品型号:CDLF型
所属类目:离心泵
产品简介:不锈钢多级离心泵 CDLF系列不锈钢立式多级离心泵属于非自吸的离心泵,改进自于QDL(QDLF),优化了机械密封结构,采用新颖的一套独换式结构,可以输送从自来水到工业液体的各种不同介质,适应于不同温度、流量和压力范围,也适用于轻度腐蚀性液体
■ CDLF型不锈钢立式多级离心泵产品概述:
不锈钢多级离心泵,不锈钢立式多级泵,立式多级离心泵

CDLF型不锈钢多级离心泵是采用丹麦先进技术制造而成,中耐泵阀生产的CDLF系列不锈钢立式多级离心泵属于非自吸的离心泵,改进自于QDL(QDLF),优化了机械密封结构,采用新颖的一套独换式结构,可以输送从自来水到工业液体的各种不同介质,适应于不同温度、流量和压力范围,也适用于轻度腐蚀性液体。其大优点是水力模型设计先进,高效率,高节能。水泵内部叶轮、泵壳及其主要配件采用不锈钢冲压成形,流道特别光滑,轴瓦、轴套用硬质合金,具有超强的使用寿命,避免产生二次污染。轴封采用耐磨机械密封,无泄漏。电机采用Y2铅外壳,进口轴承,绝缘等级F级。泵运转平稳,低噪音,整机质量可靠,外形美观、体积小、重量轻、运输方便,是理想的绿色、环保、节能的水泵。
■ CDLF型不锈钢立式多级离心泵型号意义:
■ CDLF型不锈钢立式多级离心泵产品特点:
1、CDLF型立式多级离心泵┃不锈钢冲压式离心泵采用优良的水力模型和先进的制造工艺,大大提高泵的性能及使用寿命。
2、CDLF型立式多级离心泵┃不锈钢冲压式离心泵由于轴封采用材料为硬质合金及氟橡胶的机械密封,可提高泵运行的可靠性及输送介质的温度。
3、CDLF型立式多级离心泵┃不锈钢冲压式离心泵的过流部分采用不锈钢板冲压焊接而成,使得泵可适用于轻度腐蚀性介质。
4、CDLF型立式多级离心泵┃不锈钢冲压式离心泵整体结构紧凑、体积小、重量轻、噪声低、节能效果显著,检修方便。
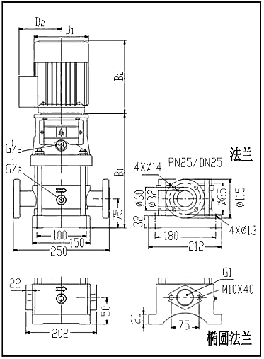
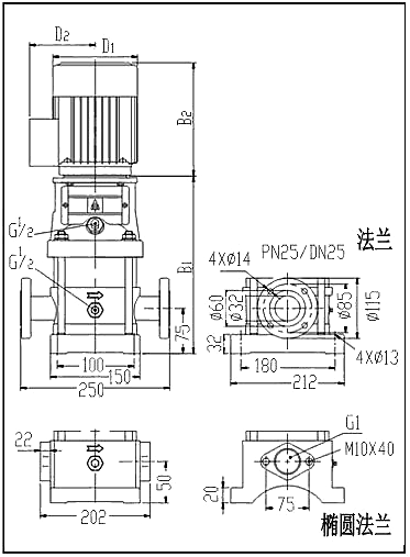
5、CDLF型立式多级离心泵┃不锈钢冲压式离心泵的进水口与出水口位于泵座同一水平线上,可直接用于管路当中。
6、CDLF型立式多级离心泵┃不锈钢冲压式离心泵采用标准电机,用户可方便地根据需要配备电机。
7、可根据用户需要配备智能保护器,对泵干转、缺相、过载等进行有效保护。
■ CDLF型立式多级离心泵┃不锈钢冲压式离心泵使用条件:
● 稀薄、干净、非易燃易爆并不含固体颗粒或纤维的液体。
● 液体温度:常温型-15℃至+70℃ 热水型+70℃至+120℃
● 环境温度:高+40℃
● 海拔:高1000m。
■ CDLF型立式多级离心泵┃不锈钢冲压式离心泵结构图:

■ CDLF型立式多级离心泵┃不锈钢冲压式离心泵性能范围:
流量:1-22m3/h;
扬程:6-232m;
功率:0.37-15kw;
转速:2900r/min;
口径:φ25-φ50;
温度范围:-15℃-+120℃;
■ CDLF型立式多级离心泵┃不锈钢冲压式离心泵产品用途:
供水:水厂过滤与输送、水厂分区送水、主管增压、高层建筑增压。
工业增压:流程水系统、清洗系统、高压冲洗系统、消防系统。
工业液体输送:冷却和空调系统、锅炉给水和冷凝系统、机床配套、酸性和碱性介质输送。
水处理:超滤系统、反渗透系统、蒸馏系统、分离器和游泳池的水处理系统。
灌溉:农田灌溉、喷灌、滴灌。
■ CDLF型立式多级离心泵┃不锈钢冲压式离心泵性能参数:
.jpg)
■ CDLF型立式多级离心泵┃不锈钢冲压式离心泵型谱图:
■ CDLF型立式多级离心泵┃不锈钢冲压式离心泵安装:
1、CDLF型立式不锈钢多级离心泵应于地面呈垂直安装,安装时要保证有充足冷空气进入电动机冷却风扇。泵底箭头表示通过泵的灌流方向。
2、为使泵可能产生的噪声减至小,好在泵的二侧及基础与泵体之间安装抗振固定件。对接法兰、衬垫、螺栓、PJE联营器是作为辅件提供的,必须单独订购。倘有必要,须对泵进行清洁、修理或更换时,应在泵的两侧安装隔离阀,以防止系统排水。多级离心泵安装管道要避免空气堵塞,尤其在泵的吸入侧更应注意。管子应该这样安装,即温度变化所引起的任何拉伸都不会影响到泵。如果泵安装在长管子上,在示的前面和后面都应适当地支撑。
3、如多级离心泵有被石子、树叶、小支条等堵塞的危险,那就要采取措施来防止此类事情发生。在吸管部位安装滤网即可。
4、在某些安装情况下,排水管已经呈水平安装,或由泵向下倾斜着,那么泵内的水就会或必然是隔一些时候流掉,泵应受保护不使叶轮空动转。在泵的近旁装上一节装有真空阀的坏管,就可避免这种情况。环管的高点至少应与泵的电动机的连接盘齐平。这样排水管就能单独地从泵内排水,反之亦然。
5、排水阀关闭时,是禁止泵运转的,因为这会引起泵内温度/蒸气形成的提高,从而导致泵损坏。如有在排水间关闭时,泵的运转有任何危险的话,用一只旁通或放水管接到出口,这样,应保证有小量的液体流 过泵。放水管,例如,可与水箱连接。
6、CDL、CDLF轻型多级泵的小量。
■ CDLF型立式多级离心泵┃不锈钢冲压式离心泵举例:
典型的高压冲刷系统图的例子。中耐泵阀推荐这一种如图所示的安装方法,用于那些不能保证有“小流量”通过泵的场合。
1、轻型多级离心泵的液流开关,将对泵提供保护,不使它在液流太小时,泵运转产生高热而损坏。
2、轻型多级离心泵的滤网,是为了在用以输送轻微污染水的装置中,保护液 流开关而装设的。
注:在液流情况稳定以及能保证具有小流量的装置中,上述措施是不需妥的。在有水锤危险的装置中,总得在泵的出口边装上一只止回阀。切勿使用快速关闭阀,像快速关闭喷枪之类,因为这种喷枪能导致水锤。影响电动机与泵轴联接,严重时会使泵轴断裂。
■ CDLF型立式多级离心泵┃不锈钢冲压式离心泵电气连接:
1、轻型多级离心泵在打开接线盒盖以及除掉卸任何泵的零部件之前,一定要将电源关闭。电气连接必须要由合格的电工按照当地法规进行。电动机接线盒必须与电源开关正确连接导线。操作电压和频率在铭牌上标出。注意所使用的电源要适合电动机。三相电动机必须连接到一只有保护功能的起动器上。
2、轻型多级离心泵的接线盒可以依次转到90°停直在四个位置上。需要时,可用螺丝刀去掉联轴器护板,但不要去掉联轴器。旋出电动机固定在泵上的螺栓。转动电机到所需的位置。再放上螺栓旋紧。重新装上联轴器护板,使它在泵头的凹口内呈垂直对中。电气连接应按照接线盒盖内的线路图来进行。
注:在轻型多级离心泵未充满液体前,不要起动泵。
■ CDLF型立式多级离心泵┃不锈钢冲压式离心泵发动起来:
一、当轻型多级离心泵的液体水位高于泵进口的闭式系统或开式系统:
1、关闭排水隔离阀并旋松泵头上的排气螺钉。
2、请注意排气口的方向,并要保证流出的水不会对人引起伤害或对电动机或其它部件引起损坏。在热水装置中,要特别注意由灼热水引发的烫伤危险。
3、缓慢地打开吸水管上隔离阀,直到一股平稳的液流流出排气阀为止。
4、轻型多级离心泵启动时把排气螺钉旋紧,把隔离阀完全打开。
二、当轻型多级离心泵的液体水位低于泵进口开式系统:
1、吸水管和泵必须先灌满液体及排气,然后再起动泵。
2、CDL2、4(CDLF2、4、8、16)
3、关闭排水隔离阀。将旁通阀对着止档旋出少量见图七。
4、取下灌注塞,从灌注口灌入液体,直至吸入管和泵完全充满液体为止,将旁通阀重新旋紧。
5、轻型多级离心泵启动时放回灌注塞,将它牢固地旋紧。
三、轻型多级离心泵启动时检查转动方向:
1、在轻型多级离心泵未被灌满液体之前,不要起动泵来检查转动方向。
2、在检查电动机运转方向时,不应拆卸联轴器检查。因为当联轴器即经拿掉时,需要调整轴的位置。正确的转动方向是由泵头上或在电动机风扇盖上的箭头来表明。从风扇看过去,轻型多级离心泵应按逆时针方向转动。
四、轻型立式多级泵的起动:
1、在起动轻型多级离心泵前,要完全打开泵吸入侧隔离阀,而让排出侧隔离阀几乎关闭着。
2、轻型多级离心泵起动时,通过旋松泵头上的排气螺钉让泵排气,直至有一股平稳液流从排气孔流出为止,再将排气螺钉旋紧。
注意:排气孔的方向,并要保证流出的液体不会对人引起伤害或者对电动机或其它部件引起损坏。在热水装置中,要特别注意由灼热水引起的烫伤危险。当管道系统己灌满液体时,缓慢地打开隔离阀,直到完全打开为止。当泵抽送含有空气的液体时,好定期使泵排气。为了使 泵排气,操作时要把泵头上的排气螺钉松开。
■ CDLF型立式多级离心泵┃不锈钢冲压式离心泵维护、启动与停转频率:
CDLF型立式不锈钢多级离心泵的维护:
1、在立式多级离心泵开始工作之前,要查明没有给泵供电,并且泵不可能突然起动。
2、轻型多级离心泵的轴承和轴密封是不需维修的。如泵长期不用要排净时,可拿掉其中联轴器护板的一块,在泵头与联轴器间的轴上注入几滴硅油。这样就可以使轴密封表面不致粘结。
3、当装上联轴器护板时,注意它们在泵头的凹口里是要垂直对中的。
CDLF型立式不锈钢多级离心泵电动机轴承:
4、对那些不装有润滑嘴的电动机是不需要维护的。装有润滑嘴的电动机要用高温锂基滑脂来润滑。
5、如轻型多级离心泵长期暂停使用的,建议一经搁置不用,就对泵与电动机进行清洁及润滑处理。
6、霜冻期间泵搁置不用,就应把水排出防止损坏及开裂。旋松泵头上的排气螺钉,拿掉底座上的排水塞,就能使泵排水,水放尽后,卸下的部件应复装到位或妥善保管。
CDLF型立式不锈钢多级离心泵的起动与停转频率:
立式多级离心泵功率小于4KW的电动机,其起动次数不得超过每小时100次。其它电动机起动次数不得超过每小时20次。





.jpg)



