浙江中耐泵业有限公司
客服:0577-66998225
传真:0577-66998228
地址:浙江省永嘉县瓯北镇三桥工业区
S、SH型单级双吸中开式离心泵
产品型号:S、SH型
所属类目:离心泵
产品简介:S、SH型单级双吸中开式离心泵适合输送各种清洁或带有微量颗粒的中性或弱腐蚀性液体。双吸离心泵适用于自来水厂、灌溉、排水泵站、电站、工业供水系统、空调系统、消防系统、船舶工业、亦适合炼油工业中作一般性用途
■ S、SH型单级双吸中开式离心泵产品概述:

S、SH型单级离心双吸泵,系属新型单级双吸卧式中开离心泵类产品。该泵具有高效节能、应用范围广、轴向力平衡、寿命长、中开式结构、维修方便、快捷。S、SH型单级双吸中开式离心泵适合输送各种清洁或带有微量颗粒的中性或弱腐蚀性液体。
■ S、SH型单级双吸中开式离心泵型号意义:
■ S、SH型单级双吸中开式离心泵产品特点:
S、SH型单级双吸中开式离心泵与其它同类型的泵相比较具有寿命长、效率高、结构合理,运行成本低、安装及维修方便等特点,是消防、空调、化工、水处理及其它行业的理想用泵。泵体的设计压力为1.6MPa和2.0MPa。为满足世界范围用户的不同要求,相应的泵体进出口法兰可按ANSI、PN及IS等标准选取。泵体的进出口法兰均位于下泵体,这样可以在不拆卸系统管路的情况下取出转子,维修方便部分泵体采用双流道设计,以减少径向力,从而延长机封和轴承的寿命。叶轮 叶轮的水力设计采用了先进的CFD技术,因此提高了S、SH型单级双吸中开式离心泵的水力效率。对叶轮进行动平衡,确保S泵的运行平稳。轴 轴径较粗,轴承间距较短,从而减小了轴的挠度,延长了机械密封和轴承的寿命。轴套可以采用多种不同的材料,以防止轴被腐蚀和磨损,轴套可更换。磨损环泵体与叶轮间采用可更换的磨损环,防止泵体和叶轮的磨损,更换方便,维修费用低,同时保证运行间隙和较高的工作效率。既可以使用填料也可以使用机械密封,可以在不拆卸泵盖的情况下更换密封装置。轴承 独特的轴承体设计使轴承可采用油脂或稀油润滑,轴承的设计寿命10万小时以上,也可使用双列推力轴承和封闭轴承。材料 根据用户的实际需要,S、SH型单级离心双吸泵的材料铸铁、球铁、316不锈钢、304不锈钢。
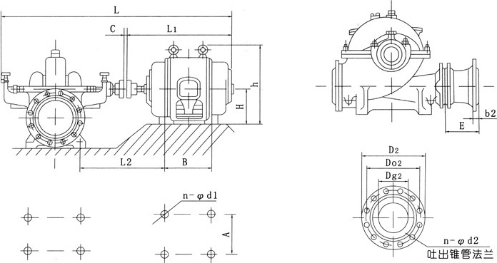
■ S、SH型单级双吸中开式离心泵结构图:
|
|
1 |
泵体 |
12 |
轴套螺母(右) |
|
2 |
泵盖 |
13 |
轴承体 |
|
|
3 |
泵轴 |
14 |
固定螺栓 |
|
|
4 |
叶轮 |
15 |
轴承体压盖 |
|
|
5 |
双吸密封环 |
16 |
联轴器部件 |
|
|
6 |
轴套 |
17 |
圆螺母 |
|
|
7 |
填料套 |
18 |
轴承盖(甲) |
|
|
8 |
水封管 |
19 |
轴套螺母(左) |
|
|
9 |
填料 |
20 |
轴承挡圈 |
|
|
10 |
填料环 |
21 |
轴承盖(乙) |
|
|
1l |
填料压盖 |
22 |
端盖 |
■ S、SH型单级双吸中开式离心泵结构说明:
S、SH型单级双吸中开式离心泵的吸入口与吐出口均在水泵轴心线下方,水平方向与轴线成垂直位置、泵壳.中开,检修时无需拆卸进水,排出管路及电动机(或其他原动机)从联轴器向泵的方向看去,水泵均为逆吋针方向旋转。如根据用户特殊订货需要也可改为顺吋针旋转。
S、SH型单级双吸中开式离心泵的主要另件有:泵体、泵盖、叶轮、轴、双吸密封环、轴套、轴承等。除轴的材料为优质碳素钢外, 其馀多为铸铁制成。
S、SH型单级双吸中开式离心泵泵体与泵盖构成叶轮的工作室,在进出水法兰上制有安装真空表和压力表的管螺孔,进出水法兰的下部制有放水的管螺孔。
叶轮经过静平衡校验,用轴套和两侧的轴套螺母固定,其轴向位置可以通过轴套螺母进行调整,叶轮的轴向力利用其叶片的对称布置达到平衡,可能还有一些剩馀轴向力则同轴端的轴承承受。
泵轴由两个单列向心球轴承支承,轴承装在泵体两端的轴承体内,用黄油润滑,双吸密封环用以减少水泵压水室的水漏回吸水室。
水泵通过联轴器由电动机直接传动。
轴封为软填料密封,为了冷却润滑密封腔和防止空气漏入泵内,在填料之间有水封环,水泵工作时小量高压水通过水封管流入填料腔起水封作用。
■ S、SH型单级双吸中开式离心泵性能范围:
泵进口直径DN: 100∽1400mm
流量Q: 高1800m3/h
扬程H: 高135m
工作压力P: 高2.5MPa
工作温度T: 高135℃
■ S、SH型单级双吸中开式离心泵产品用途:
S、SH型单级双吸中开式离心泵适合输送各种清洁或带有微量颗粒的中性或弱腐蚀性液体。双吸离心泵适用于自来水厂、灌溉、排水泵站、电站、工业供水系统、空调系统、消防系统、船舶工业、亦适合炼油工业中作一般性用途。
■ S、SH型单级双吸中开式离心泵性能参数:
|
型号 |
流量Q |
扬程H |
转速n |
功率P(kw) |
效率n |
汽蚀余量 |
|
|
轴功率 |
电机功率 |
||||||
|
100S90 |
80 |
90 |
2950 |
30.1 |
37 |
65 |
2.5 |
|
100S90A |
72 |
75 |
2950 |
23 |
30 |
64 |
2.5 |
|
150S100 |
160 |
100 |
2950 |
59.8 |
75 |
73 |
3.5 |
|
150S78 |
160 |
78 |
2950 |
45 |
55 |
75.5 |
3.7 |
|
150S78A |
144 |
62 |
2950 |
33.4 |
45 |
72.6 |
3.7 |
|
150S50 |
160 |
50 |
2950 |
27.3 |
37 |
80.4 |
3.9 |
|
150S50A |
144 |
40 |
2950 |
20.0 |
30 |
75.5 |
3.9 |
|
150S50B |
133 |
36 |
2950 |
18.0 |
22 |
72.5 |
3.9 |
|
200S95 |
280 |
95 |
2950 |
91.4 |
132 |
79.2 |
5.3 |
|
200S95A |
270 |
85 |
2950 |
83.3 |
110 |
75 |
5.3 |
|
200S95B |
260 |
75 |
2950 |
73.8 |
90 |
72 |
5.3 |
|
200S63 |
280 |
63 |
2950 |
58.3 |
75 |
82.7 |
5.8 |
|
200S63A |
270 |
46 |
2950 |
45.1 |
55 |
75 |
5.8 |
|
200S42 |
280 |
42 |
2950 |
38.1 |
45 |
84.2 |
6 |
|
200S42A |
270 |
36 |
2950 |
33.1 |
37 |
80 |
6 |
|
250S65 |
485 |
65 |
1450 |
109.2 |
132 |
78.6 |
3.1 |
|
250S65A |
420 |
48 |
1450 |
88.5 |
90 |
77.7 |
3.1 |
|
250S39 |
485 |
39 |
1450 |
61.5 |
75 |
83.6 |
3.2 |
|
250S39A |
468 |
30 |
1450 |
48.4 |
55 |
79 |
3.2 |
|
250S24 |
485 |
24 |
1450 |
36.9 |
45 |
85.8 |
3.5 |
|
250S24A |
414 |
20 |
1450 |
27.2 |
37 |
83.3 |
3.5 |
|
250S14 |
485 |
14 |
1450 |
21.5 |
30 |
85.8 |
3.8 |
|
250S14A |
432 |
11 |
1450 |
15.2 |
18.5 |
82.7 |
3.8 |
|
300S90 |
790 |
90 |
1450 |
243 |
320 |
79.6 |
4.2 |
|
300S90A |
756 |
78 |
1450 |
216.4 |
280 |
74.2 |
4.2 |
|
300S90B |
720 |
67 |
1450 |
180 |
220 |
73 |
4.2 |
|
300S58 |
790 |
58 |
1450 |
147.9 |
200 |
84.2 |
4.4 |
|
300S58A |
720 |
49 |
1450 |
118.0 |
160 |
82.5 |
4.4 |
|
300S58B |
684 |
43 |
1450 |
100 |
132 |
80 |
4.4 |
|
300S32 |
790 |
32 |
1450 |
79 |
90 |
86.8 |
4.6 |
|
300S32A |
720 |
26 |
1450 |
60.7 |
75 |
84 |
4.6 |
|
300S19 |
790 |
19 |
1450 |
47.1 |
55 |
86.8 |
5.2 |
|
300S19A |
720 |
16 |
1450 |
39.2 |
45 |
80 |
5.2 |
|
300S12 |
790 |
12 |
1450 |
30.4 |
37 |
84.8 |
5.5 |
|
300S12A |
684 |
10 |
1450 |
23.9 |
30 |
78.4 |
5.5 |
|
350S125 |
1260 |
125 |
1450 |
533 |
680 |
80.5 |
5.4 |
|
350S125A |
1181 |
112 |
1450 |
461 |
570 |
78.2 |
5.4 |
|
350S125B |
1098 |
96 |
1450 |
373 |
500 |
77 |
5.4 |
|
350S75 |
1260 |
75 |
1450 |
303 |
360 |
85.2 |
5.8 |
|
350S75A |
1170 |
65 |
1450 |
244.4 |
280 |
84.2 |
5.8 |
|
350S75B |
1080 |
55 |
1450 |
196.3 |
220 |
82.4 |
5.8 |
|
350S44 |
1260 |
44 |
1450 |
172.5 |
220 |
87.5 |
6.3 |
|
350S44A |
1116 |
36 |
1450 |
129.5 |
160 |
84.5 |
6.3 |
|
350S26 |
1260 |
26 |
1450 |
102 |
132 |
87.5 |
6.7 |
|
350S26A |
1116 |
21 |
1450 |
76.9 |
90 |
83.4 |
6.7 |
|
350S16 |
1260 |
16 |
1450 |
64.4 |
75 |
85.4 |
7.1 |
|
350S16A |
1044 |
13 |
1450 |
47 |
55 |
78.3 |
7.1 |
|
400S90 |
1620 |
90 |
1450 |
473 |
560 |
84 |
6.2 |
|
400S90A |
1460 |
73 |
1450 |
345 |
450 |
84 |
6.2 |
|
400S90B |
1300 |
58 |
1450 |
245 |
315 |
84 |
6.2 |
|
400S40 |
1080 |
40 |
970 |
140 |
185 |
85 |
5.1 |
|
400S40A |
1007 |
33 |
970 |
107 |
160 |
84.5 |
5.1 |
|
400S40B |
870 |
26 |
970 |
73.3 |
110 |
84 |
5.1 |
|
500S98 |
2020 |
98 |
970 |
678.1 |
800 |
79.5 |
4.1 |
|
500S98A |
1872 |
83 |
970 |
539 |
630 |
78.5 |
4.1 |
|
500S98B |
1746 |
74 |
970 |
450.1 |
560 |
78.7 |
4.1 |
|
500S59 |
2020 |
59 |
970 |
388.2 |
450 |
83.6 |
4.5 |
|
500S59A |
1872 |
49 |
970 |
332.32 |
400 |
75.6 |
4.5 |
|
500S59B |
1746 |
40 |
970 |
255.8 |
315 |
74 |
4.5 |
|
500S35 |
2020 |
35 |
970 |
218.2 |
280 |
83.6 |
4.8 |
|
500S35A |
1746 |
27 |
970 |
150.6 |
220 |
75.6 |
4.8 |
|
500S22 |
2020 |
22 |
970 |
143.6 |
185 |
74 |
5.2 |
|
500S22A |
1746 |
17 |
970 |
100.6 |
132 |
88.2 |
5.2 |
|
500S13 |
2020 |
13 |
970 |
85.7 |
110 |
85.2 |
5.7 |
|
600S22 |
3170 |
22 |
970 |
215.8 |
250 |
84.2 |
7 |
|
600S22A |
2860 |
18 |
970 |
161.1 |
185 |
80.3 |
7 |
|
600S32 |
3170 |
32 |
970 |
310.4 |
355 |
83.4 |
7 |
|
600S32A |
2850 |
26 |
970 |
229 |
280 |
88 |
7 |
|
600S47 |
3170 |
47 |
970 |
456 |
560 |
87 |
6.5 |
|
600S47A |
2920 |
40 |
970 |
361 |
450 |
89 |
6.5 |
|
600S75 |
3170 |
75 |
970 |
736 |
900 |
88 |
6 |
|
600S75A |
2920 |
65 |
970 |
600.2 |
710 |
89 |
6 |
|
600S75B |
3170 |
55 |
970 |
477.5 |
560 |
88 |
6 |
|
600S100 |
2950 |
100 |
970 |
1015.6 |
1250 |
87 |
6 |
|
600S100A |
2710 |
90 |
970 |
875.4 |
1120 |
85 |
6 |
|
600S100B |
3170 |
80 |
970 |
751.9 |
900 |
85 |
6 |
|
800S22 |
3000 |
22 |
730 |
370.2 |
450 |
84 |
7 |
|
800S22 |
2830 |
14 |
585 |
190.6 |
250 |
82 |
5 |
|
800S22A |
5500 |
17 |
730 |
254.1 |
315 |
89 |
7 |
|
800S22A |
4400 |
11 |
585 |
133.3 |
185 |
88 |
5 |
|
800S32 |
4830 |
32 |
730 |
538.5 |
630 |
87 |
74.5 |
|
800S32 |
3870 |
20 |
585 |
272.3 |
315 |
89 |
7 |
|
800S32A |
5500 |
26 |
730 |
389 |
450 |
88 |
4.5 |
|
800S32A |
3960 |
17 |
585 |
210.7 |
250 |
88 |
6.5 |
|
800S47 |
5500 |
47 |
730 |
782.2 |
1000 |
87 |
4.2 |
|
800S47 |
4400 |
30 |
585 |
403.9 |
450 |
90 |
6.5 |
|
800S47A |
5070 |
40 |
730 |
621 |
710 |
89 |
4.2 |
|
800S47A |
4060 |
25 |
585 |
314.1 |
355 |
89 |
6 |
|
800S76 |
5500 |
76 |
730 |
1293.6 |
1600 |
88 |
4.2 |
|
800S76 |
4400 |
49 |
585 |
674.9 |
800 |
88 |
6 |
|
800S76A |
5080 |
65 |
730 |
1034 |
1250 |
87 |
6 |
|
800S76A |
4070 |
42 |
585 |
541 |
630 |
86 |
4.2 |
|
800S76B |
4680 |
55 |
730 |
824.7 |
1000 |
85 |
6 |
|
800S76B |
3750 |
35 |
585 |
425.5 |
500 |
84 |
4 |
■ S、SH型单级双吸中开式离心泵装配、拆卸与安装:
装配与拆卸
1 、装配转子部件:依次将叶轮、轴套、轴套螺母、填料套、填料环、填料压盖,挡水圈、轴承部件装在泵轴上,并套上双吸密封环,然后装上联轴器。
2、将转子部件装在泵体上,调整叶轮的轴向位暈到两侧双吸密封环的中间加以固定,将轴承体压盖同固定螺钉紧固。
3、装上填料,放好中开面纸垫,盖上泵盖打紧螺尾柱销后,拧紧泵盖螺母,后装上墳料压盖。但不要将填料压得太紧,填料过紧会使轴套发热,耗费功率较大,也不要压得太松,过松会使液体渗漏大,水泵效率降低。
装配完成后,用手转动泵轴,没有擦碰现象,转动比较轻滑均勻即可,拆卸可按上述装配顺序相反地进行。
安装
1 、检査水泵和电动机应无损坏。
2、水泵的安装高度,加上吸入管路的水力损失,及其速度能,不得大于样本规定的允许吸上真空高度值。基础尺寸应符合泵机组的安装尺寸。
3、安装顺序:
① 将水泵放在埋有地脚螺栓的混凝土基础上,用调整其间的楔型垫块的方法校正水平,并适当拧紧地脚螺栓,以防走动。
② 在基础与泵底脚之后灌注混凝土 。
③ 待混凝土干固后,拧紧地脚螺栓,并重新检査水泵的水平度。
④ 校正电动机轴与水泵轴的同心度。使两轴成一直线,在两轴器外圆上的同轴度允差为0.1mm,端面间隙沿圆周的不均匀度允差0.3mm(在联接进出水管路及试运行后再分别校核一遍,仍应符台上述要求)。
⑤ 在检査电动机转向与水泵转向一致后,装上联轴器及联接柱销。
4、进出水管路应另设支架支撑,不得籍泵本体支承。
5、水泵与管路之间的结台面,应保证良好的气密性,尤其是进水管路,必须保证严格的不漏气,并且在装置上应无窝存空气的可能。
6、如水泵安装在进水水位以上吋,为了灌泵起动,一般可装底阀。也可采用真空引水的方法。
7、水泵与出水管路之后,一般需装闸阀和止回阀(扬程小于20米的可不用),止回阀装在闸阀后面。以上所述的安装方法是指不配带公共底座的水泵机组。
安装配带公共底座的泵,用调整底座与混凝土基础之间的楔形垫铁来校正机组的水平。然后在其间灌注混凝土。其安装原则与要求,和不配带公共底座的机组相同。
■ S、SH型单级双吸中开式离心泵启动、停止与运行:
1、起动与停止:
起动前,转动泵的转子,应该轻滑均匀。
② 关闭出水闸阀,向泵内注不(如无底阀则用真空泵抽空引水)要保证泵内充满水.无空气窝存。
③ 如果泵上装有真空表或压力表.要关闭其与泵相连接的旋基再起动电动机.待转速正常后再打开;然后逐渐打开出水闸阀,如流置过大,可以适当地关小闸阀进行调节;反之流量过小时.将闸阀开大。
④ 均匀地拧紧填料压盖上的压紧螺母,使液体成滴状漏出.同时注意填料腔处的溫升。
⑤ 当停止水泵运转时.要先关闭真空表及压力表的旋塞和出水管路上的闸阀.然后关闭电动机的电源.如
所处环境的温度较低时,则应将泵体下部的四方螺塞打开.去掉?水.以免冻裂。⑥长期停止使用时.应拆开水泵将另件上的水擦干.在加工表面涂上防锈油保管好。
2、运转:
① 水泵轴承高溫度不应超过75°C。
② 润滑轴承用的钙基黄油的数量以占轴承体空间的1/3?1/2为宜。
③ 填料磨损吋可适当压紧填料压盖.若磨损过多应加以更換。
④ 定期柁査眹轴器部件.注意电机轴承温升。
⑤ 运转过程中.如发现矂声或其他不正常的声音时,应立即停车.检査其原因.加以消除。
⑥ 不得任意提高水泵的转速.但可以降低转速使用.如本型泵额定转速为n流量为Q,扬程为H.轴功率为N,降低转速为n1.降速后流量.扬程.轴功率分别为Q1 、H1和N1.其相互关系.可用下列公式迸行换算:
Q1=(n1/n)Q H1=(n1/n)²H N1=(n1/n)³N
.bmp)




